User manual
Manuals
Brands
3M Manuals
Other
VCR 10500
21
22
23
24
25
26
27
28
29
30
19
T
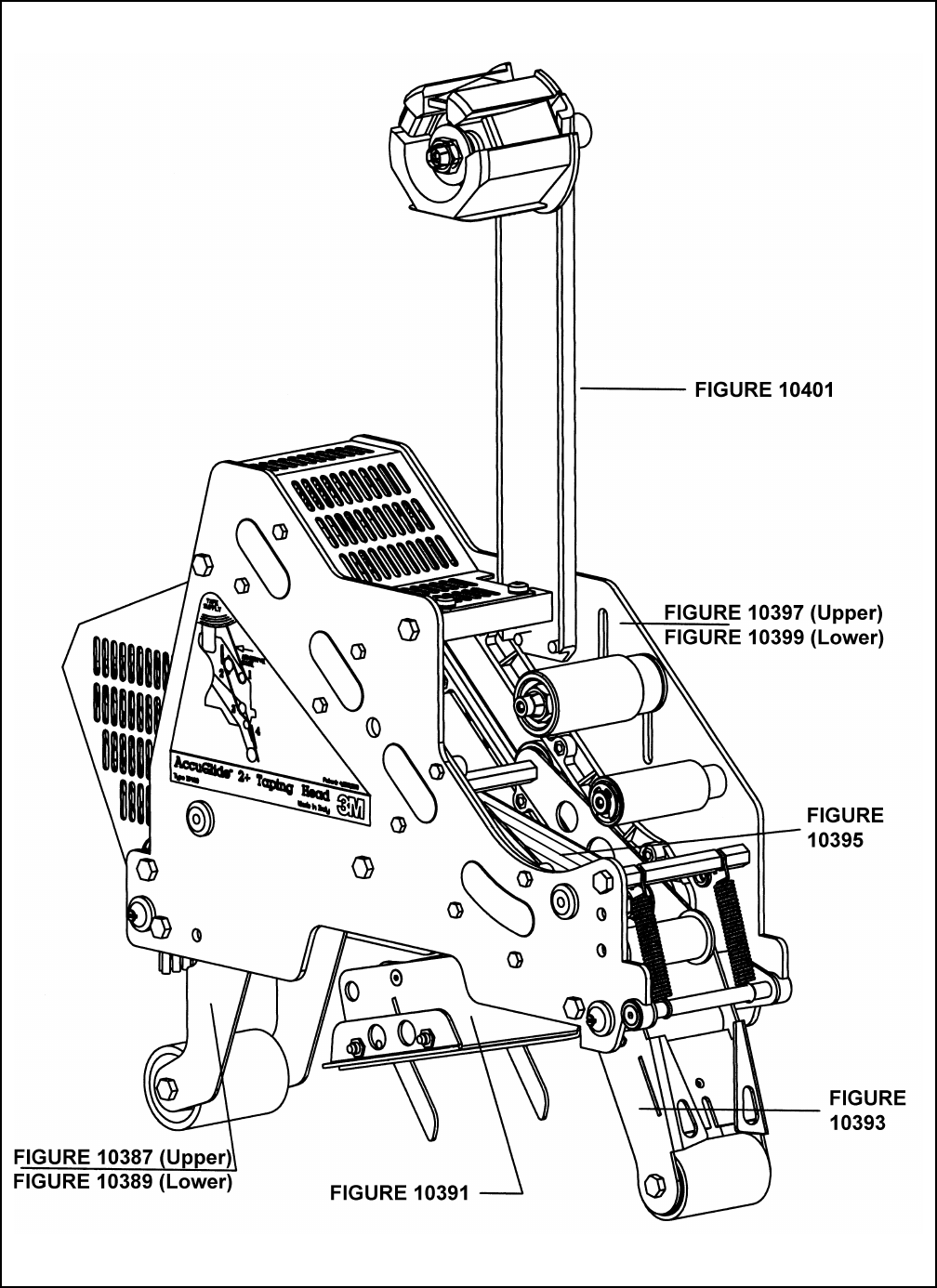
aping Head Assemblies – AccuGlide
™
2+ STD 2 Inch
1
...
...
22
23
24
25
26
...
...
40