User manual
Manuals
Brands
3M Manuals
Other
VCR 10500
31
32
33
34
35
36
37
38
39
40
32
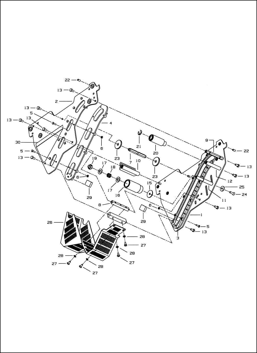
Figure 10399 – Lower Head
1
...
...
35
36
37
38
39
...
40