Operating Instructions and Installation Instructions
Manuals
Brands
A.O. Smith Manuals
Air Conditioning
BT85
1
2
3
4
5
6
7
8
9
10
9
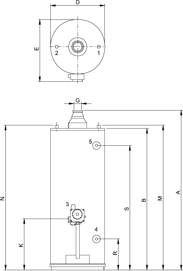
Afbeelding 3 -
Afmetingen
AOS 0554
1
...
...
7
8
9
10
11
...
...
24