Data Sheet
Table Of Contents
- 1.0 Electrical Characteristics
- 2.0 Typical Performance Curves
- Figure 2-1: DNL vs. Code.
- Figure 2-2: DNL vs. Code and Ambient Temperature.
- Figure 2-3: Absolute DNL vs. Ambient Temperature.
- Figure 2-4: INL vs. Code and Ambient Temperature.
- Figure 2-5: Absolute INL vs. Ambient Temperature.
- Figure 2-6: INL vs. Code.
- Figure 2-7: Full-Scale VOUTA w/G = 1 (VREF) vs. Ambient Temperature and VDD.
- Figure 2-8: Full-Scale VOUTA w/G = 2 (2VREF) vs.Ambient Temperature and VDD.
- Figure 2-9: Output Noise Voltage Density (VREF Noise Density w/G = 1) vs. Frequency.
- Figure 2-10: Output Noise Voltage (VREF Noise Voltage w/G = 1) vs. Bandwidth.
- Figure 2-11: MCP4821 IDD vs. Ambient Temperature and VDD.
- Figure 2-12: MCP4821 IDD Histogram (VDD = 2.7V).
- Figure 2-13: MCP4821 IDD Histogram (VDD = 5.0V).
- Figure 2-14: MCP4822 IDD vs. Ambient Temperature and VDD.
- Figure 2-15: MCP4822 IDD Histogram (VDD = 2.7V).
- Figure 2-16: MCP4822 IDD Histogram (VDD = 5.0V).
- Figure 2-17: Hardware Shutdown Current vs. Ambient Temperature and VDD.
- Figure 2-18: Software Shutdown Current vs. Ambient Temperature and VDD.
- Figure 2-19: Offset Error vs. Ambient Temperature and VDD.
- Figure 2-20: Gain Error vs. Ambient Temperature and VDD.
- Figure 2-21: VIN High Threshold vs. Ambient Temperature and VDD.
- Figure 2-22: VIN Low Threshold vs. Ambient Temperature and VDD.
- Figure 2-23: Input Hysteresis vs. Ambient Temperature and VDD.
- Figure 2-24: VOUT High Limit vs. Ambient Temperature and VDD.
- Figure 2-25: VOUT Low Limit vs. Ambient Temperature and VDD.
- Figure 2-26: IOUT High Short vs. Ambient Temperature and VDD.
- Figure 2-27: IOUT vs. VOUT. Gain = 2.
- Figure 2-28: VOUT Rise Time 100%.
- Figure 2-29: VOUT Fall Time.
- Figure 2-30: VOUT Rise Time 50%.
- Figure 2-31: VOUT Rise Time 25% - 75%.
- Figure 2-32: VOUT Rise Time Exit Shutdown.
- Figure 2-33: PSRR vs. Frequency.
- 3.0 Pin descriptions
- 4.0 General Overview
- 5.0 Serial Interface
- 6.0 Typical Applications
- 6.1 Digital Interface
- 6.2 Power Supply Considerations
- 6.3 Output Noise Considerations
- 6.4 Layout Considerations
- 6.5 Single-Supply Operation
- 6.6 Bipolar Operation
- 6.7 Selectable Gain and Offset Bipolar Voltage Output Using A Dual DAC
- 6.8 Designing A Double-Precision DAC Using A Dual DAC
- 6.9 Building A Programmable Current Source
- 7.0 Development support
- 8.0 Packaging Information

© 2005 Microchip Technology Inc. DS21953A-page 21
MCP4821/MCP4822
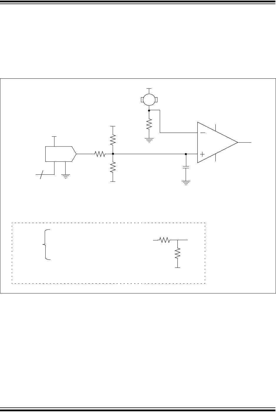
6.5.1.2 Building a “Window” DAC
When calibrating a set point or threshold of a sensor,
rarely does the sensor utilize the entire output range of
the DAC. If the LSb size is adequate to meet the appli-
cation’s accuracy needs, the resolution is sacrificed
without consequences. If greater accuracy is needed,
then the output range will need to be reduced to
increase the resolution around the desired threshold. If
the threshold is not near V
REF
, 2V
REF
or AV
SS
, then
creating a “window” around the threshold has several
advantages. One simple method to create this
“window” is to use a voltage divider network with a pull-
up and pull-down resistor. Example 6-2 and
Example 6-4 illustrates this concept.
The MCP482X family’s low ±0.75 (max.) DNL
performance is critical to meet calibration accuracy in
production.
EXAMPLE 6-2: Single-Supply “Window” DAC.
MCP482X
V
DD
SPI™
3
V
TRIP
R
1
R
2
0.1 µF
Comparator
R
3
V
CC-
G = Gain select (1x or 2x)
D = Digital value of DAC (0 – 4096)
V
CC+
V
CC+
V
CC-
V
OUT
V
OUT
2.048 G
D
2
12
-------
⋅=
R
23
R
2
R
3
R
2
R
3
+
------------------
=
V
23
V
CC+
R
2
()V
CC-
R
3
()+
R
2
R
3
+
------------------------------------------------------
=
V
trip
V
OUT
R
23
V
23
R
1
+
R
2
R
23
+
--------------------------------------------
=
R
1
R
23
V
23
V
OUT
V
O
Thevenin
Equivalent
R
SENSE










