Data Sheet
Table Of Contents
- 1.0 Electrical Characteristics
- 2.0 Typical Performance Curves
- Figure 2-1: DNL vs. Code.
- Figure 2-2: DNL vs. Code and Ambient Temperature.
- Figure 2-3: Absolute DNL vs. Ambient Temperature.
- Figure 2-4: INL vs. Code and Ambient Temperature.
- Figure 2-5: Absolute INL vs. Ambient Temperature.
- Figure 2-6: INL vs. Code.
- Figure 2-7: Full-Scale VOUTA w/G = 1 (VREF) vs. Ambient Temperature and VDD.
- Figure 2-8: Full-Scale VOUTA w/G = 2 (2VREF) vs.Ambient Temperature and VDD.
- Figure 2-9: Output Noise Voltage Density (VREF Noise Density w/G = 1) vs. Frequency.
- Figure 2-10: Output Noise Voltage (VREF Noise Voltage w/G = 1) vs. Bandwidth.
- Figure 2-11: MCP4821 IDD vs. Ambient Temperature and VDD.
- Figure 2-12: MCP4821 IDD Histogram (VDD = 2.7V).
- Figure 2-13: MCP4821 IDD Histogram (VDD = 5.0V).
- Figure 2-14: MCP4822 IDD vs. Ambient Temperature and VDD.
- Figure 2-15: MCP4822 IDD Histogram (VDD = 2.7V).
- Figure 2-16: MCP4822 IDD Histogram (VDD = 5.0V).
- Figure 2-17: Hardware Shutdown Current vs. Ambient Temperature and VDD.
- Figure 2-18: Software Shutdown Current vs. Ambient Temperature and VDD.
- Figure 2-19: Offset Error vs. Ambient Temperature and VDD.
- Figure 2-20: Gain Error vs. Ambient Temperature and VDD.
- Figure 2-21: VIN High Threshold vs. Ambient Temperature and VDD.
- Figure 2-22: VIN Low Threshold vs. Ambient Temperature and VDD.
- Figure 2-23: Input Hysteresis vs. Ambient Temperature and VDD.
- Figure 2-24: VOUT High Limit vs. Ambient Temperature and VDD.
- Figure 2-25: VOUT Low Limit vs. Ambient Temperature and VDD.
- Figure 2-26: IOUT High Short vs. Ambient Temperature and VDD.
- Figure 2-27: IOUT vs. VOUT. Gain = 2.
- Figure 2-28: VOUT Rise Time 100%.
- Figure 2-29: VOUT Fall Time.
- Figure 2-30: VOUT Rise Time 50%.
- Figure 2-31: VOUT Rise Time 25% - 75%.
- Figure 2-32: VOUT Rise Time Exit Shutdown.
- Figure 2-33: PSRR vs. Frequency.
- 3.0 Pin descriptions
- 4.0 General Overview
- 5.0 Serial Interface
- 6.0 Typical Applications
- 6.1 Digital Interface
- 6.2 Power Supply Considerations
- 6.3 Output Noise Considerations
- 6.4 Layout Considerations
- 6.5 Single-Supply Operation
- 6.6 Bipolar Operation
- 6.7 Selectable Gain and Offset Bipolar Voltage Output Using A Dual DAC
- 6.8 Designing A Double-Precision DAC Using A Dual DAC
- 6.9 Building A Programmable Current Source
- 7.0 Development support
- 8.0 Packaging Information

MCP4821/MCP4822
DS21953A-page 22 © 2005 Microchip Technology Inc.
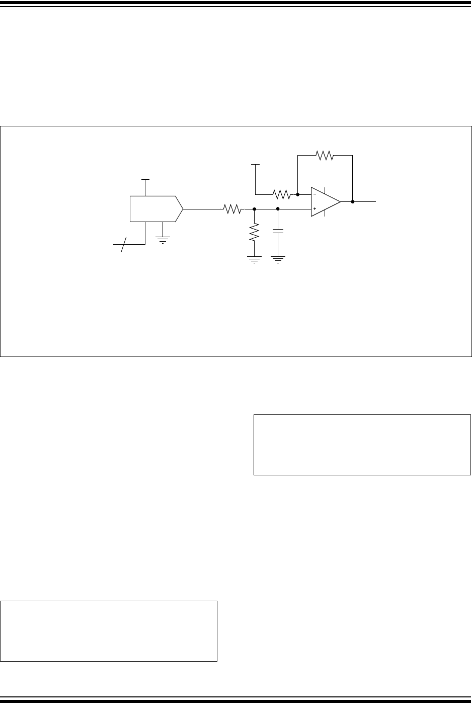
6.6 Bipolar Operation
Bipolar operation is achievable using the MCP482X
devices by using an external operational amplifier (op
amp). This configuration is desirable due to the wide
variety and availability of op amps. This allows a gen-
eral purpose DAC, with its cost and availability advan-
tages, to meet almost any desired output voltage
range, power and noise performance.
Example 6-3 illustrates a simple bipolar voltage source
configuration. R
1
and R
2
allow the gain to be selected,
while R
3
and R
4
shift the DAC's output to a selected
offset. Note that R4 can be tied to V
DD
, instead of AV
SS
,
if a higher offset is desired. Note that a pull-up to V
DD
could be used, instead of R
4
or in addition to R
4
, if a
higher offset is desired.
EXAMPLE 6-3: Digitally-Controlled Bipolar Voltage Source.
6.6.1 DESIGN A BIPOLAR DAC USING
EXAMPLE 6-3
An output step magnitude of 1 mV, with an output range
of ±2.05V, is desired for a particular application.
1. Calculate the range: +2.05V – (-2.05V) = 4.1V.
2. Calculate the resolution needed:
4.1V/1 mV = 4100
Since 2
12
= 4096, 12-bit resolution is desired.
3. The amplifier gain (R
2
/R
1
), multiplied by full-
scale V
OUT
(4.096V), must be equal to the
desired minimum output to achieve bipolar
operation. Since any gain can be realized by
choosing resistor values (R
1
+R
2
), the V
REF
value must be selected first. If a V
REF
of 4.096V
is used (G=2), solve for the amplifier’s gain by
setting the DAC to 0, knowing that the output
needs to be -2.05V. The equation can be
simplified to:
4. Next, solve for R
3
and R
4
by setting the DAC to
4096, knowing that the output needs to be
+2.05V.
MCP482X
V
DD
V
DD
SPI™
3
V
OUT
R
3
R
4
R
2
R
1
V
IN
+
G = Gain select (1x or 2x)
D = Digital value of DAC (0 – 4096)
0.1 µF
V
CC
+
V
CC
–
V
OUT
2.048 G
D
2
12
-------
⋅=
V
IN+
V
OUT
R
4
R
3
R
4
+
--------------------
=
V
O
V
O
V
IN+
1
R
2
R
1
------
+
⎝⎠
⎛⎞
V
DD
R
2
R
1
------
⎝⎠
⎛⎞
–=
R
2
–
R
1
---------
2.05–
4.096V
-----------------
=
If R
1
= 20 kΩ and R
2
= 10 kΩ, the gain will be 0.5
R
2
R
1
------
1
2
-- -
=
R
4
R
3
R
4
+()
-----------------------
2.05V 0.5 4.096V⋅()+
1.5 4.096V⋅
-------------------------------------------------------
2
3
-- -
==
If R
4
= 20 kΩ, then R
3
= 10 kΩ










