Data Sheet
Table Of Contents
- 1.0 Electrical Characteristics
- 2.0 Typical Performance Curves
- Figure 2-1: DNL vs. Code.
- Figure 2-2: DNL vs. Code and Ambient Temperature.
- Figure 2-3: Absolute DNL vs. Ambient Temperature.
- Figure 2-4: INL vs. Code and Ambient Temperature.
- Figure 2-5: Absolute INL vs. Ambient Temperature.
- Figure 2-6: INL vs. Code.
- Figure 2-7: Full-Scale VOUTA w/G = 1 (VREF) vs. Ambient Temperature and VDD.
- Figure 2-8: Full-Scale VOUTA w/G = 2 (2VREF) vs.Ambient Temperature and VDD.
- Figure 2-9: Output Noise Voltage Density (VREF Noise Density w/G = 1) vs. Frequency.
- Figure 2-10: Output Noise Voltage (VREF Noise Voltage w/G = 1) vs. Bandwidth.
- Figure 2-11: MCP4821 IDD vs. Ambient Temperature and VDD.
- Figure 2-12: MCP4821 IDD Histogram (VDD = 2.7V).
- Figure 2-13: MCP4821 IDD Histogram (VDD = 5.0V).
- Figure 2-14: MCP4822 IDD vs. Ambient Temperature and VDD.
- Figure 2-15: MCP4822 IDD Histogram (VDD = 2.7V).
- Figure 2-16: MCP4822 IDD Histogram (VDD = 5.0V).
- Figure 2-17: Hardware Shutdown Current vs. Ambient Temperature and VDD.
- Figure 2-18: Software Shutdown Current vs. Ambient Temperature and VDD.
- Figure 2-19: Offset Error vs. Ambient Temperature and VDD.
- Figure 2-20: Gain Error vs. Ambient Temperature and VDD.
- Figure 2-21: VIN High Threshold vs. Ambient Temperature and VDD.
- Figure 2-22: VIN Low Threshold vs. Ambient Temperature and VDD.
- Figure 2-23: Input Hysteresis vs. Ambient Temperature and VDD.
- Figure 2-24: VOUT High Limit vs. Ambient Temperature and VDD.
- Figure 2-25: VOUT Low Limit vs. Ambient Temperature and VDD.
- Figure 2-26: IOUT High Short vs. Ambient Temperature and VDD.
- Figure 2-27: IOUT vs. VOUT. Gain = 2.
- Figure 2-28: VOUT Rise Time 100%.
- Figure 2-29: VOUT Fall Time.
- Figure 2-30: VOUT Rise Time 50%.
- Figure 2-31: VOUT Rise Time 25% - 75%.
- Figure 2-32: VOUT Rise Time Exit Shutdown.
- Figure 2-33: PSRR vs. Frequency.
- 3.0 Pin descriptions
- 4.0 General Overview
- 5.0 Serial Interface
- 6.0 Typical Applications
- 6.1 Digital Interface
- 6.2 Power Supply Considerations
- 6.3 Output Noise Considerations
- 6.4 Layout Considerations
- 6.5 Single-Supply Operation
- 6.6 Bipolar Operation
- 6.7 Selectable Gain and Offset Bipolar Voltage Output Using A Dual DAC
- 6.8 Designing A Double-Precision DAC Using A Dual DAC
- 6.9 Building A Programmable Current Source
- 7.0 Development support
- 8.0 Packaging Information

© 2005 Microchip Technology Inc. DS21953A-page 23
MCP4821/MCP4822
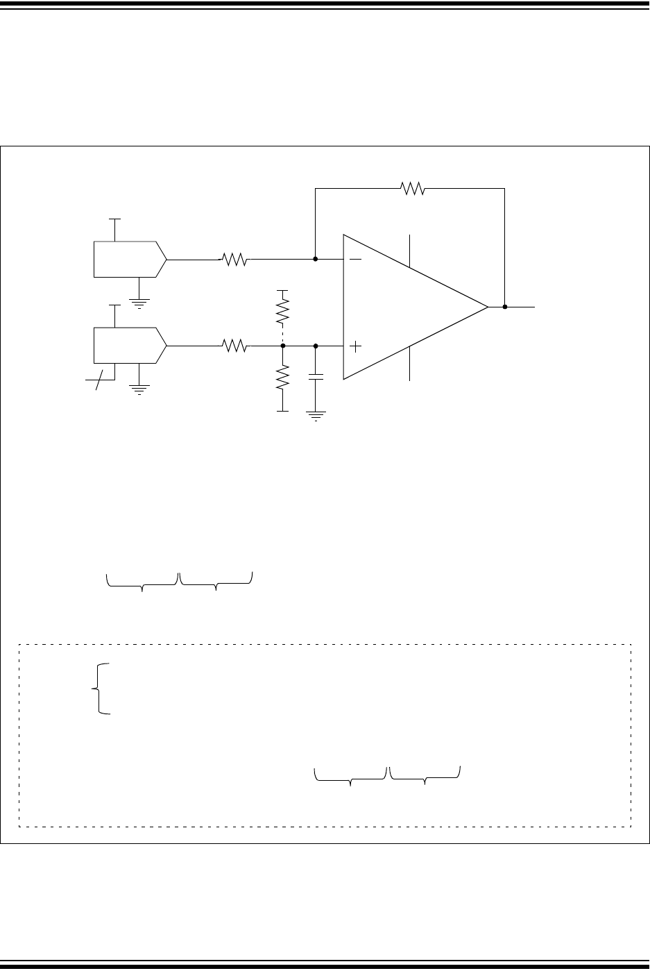
6.7 Selectable Gain and Offset Bipolar
Voltage Output Using A Dual DAC
In some applications, precision digital control of the
output range is desirable. Example 6-4 illustrates how
to use the MCP482X family to achieve this in a bipolar
or single-supply application.
This circuit is typically used for linearizing a sensor
whose slope and offset varies.
The equation to design a bipolar “window” DAC would
be utilized if R
3
, R
4
and R
5
are populated.
EXAMPLE 6-4: Bipolar Voltage Source with Selectable Gain and Offset.
MCP482X
V
DD
R
3
R
4
R
2
V
O
MCP482X
V
DD
R
1
DAC
A
(Gain Adjust)
DAC
B
(Offset Adjust)
SPI™
3
R
5
V
CC
+
Thevenin
Bipolar “Window” DAC using R
4
and R
5
G = Gain select (1x or 2x)
D = Digital value of DAC (0 – 4096)
0.1 µF
V
CC
–
AV
SS
= GND
V
CC
+
V
CC
–
V
OUTB
2.048V G
B
⋅()
D
B
2
12
-------
=
V
OUTA
V
OUTB
V
OUTA
2.048V G
A
⋅()
D
A
2
12
-------
=
V
IN+
V
OUTB
R
4
V
CC-
R
3
+
R
3
R
4
+
------------------------------------------------
=
V
O
V
IN+
1
R
2
R
1
----- -
+
⎝⎠
⎛⎞
V
OUTA
R
2
R
1
------
⎝⎠
⎛⎞
–=
Equivalent
V
45
V
CC+
R
4
V
CC-
R
5
+
R
4
R
5
+
--------------------------------------------
= R
45
R
4
R
5
R
4
R
5
+
------------------
=
V
IN+
V
OUTB
R
45
V
45
R
3
+
R
3
R
45
+
-----------------------------------------------
= V
O
V
IN+
1
R
2
R
1
------
+
⎝⎠
⎛⎞
V
OUTA
R
2
R
1
----- -
⎝⎠
⎛⎞
–=
Offset Adjust Gain Adjust
Offset Adjust Gain Adjust










