Data Sheet
Table Of Contents
- 1.0 Electrical Characteristics
- 2.0 Typical Performance Curves
- Figure 2-1: DNL vs. Code.
- Figure 2-2: DNL vs. Code and Ambient Temperature.
- Figure 2-3: Absolute DNL vs. Ambient Temperature.
- Figure 2-4: INL vs. Code and Ambient Temperature.
- Figure 2-5: Absolute INL vs. Ambient Temperature.
- Figure 2-6: INL vs. Code.
- Figure 2-7: Full-Scale VOUTA w/G = 1 (VREF) vs. Ambient Temperature and VDD.
- Figure 2-8: Full-Scale VOUTA w/G = 2 (2VREF) vs.Ambient Temperature and VDD.
- Figure 2-9: Output Noise Voltage Density (VREF Noise Density w/G = 1) vs. Frequency.
- Figure 2-10: Output Noise Voltage (VREF Noise Voltage w/G = 1) vs. Bandwidth.
- Figure 2-11: MCP4821 IDD vs. Ambient Temperature and VDD.
- Figure 2-12: MCP4821 IDD Histogram (VDD = 2.7V).
- Figure 2-13: MCP4821 IDD Histogram (VDD = 5.0V).
- Figure 2-14: MCP4822 IDD vs. Ambient Temperature and VDD.
- Figure 2-15: MCP4822 IDD Histogram (VDD = 2.7V).
- Figure 2-16: MCP4822 IDD Histogram (VDD = 5.0V).
- Figure 2-17: Hardware Shutdown Current vs. Ambient Temperature and VDD.
- Figure 2-18: Software Shutdown Current vs. Ambient Temperature and VDD.
- Figure 2-19: Offset Error vs. Ambient Temperature and VDD.
- Figure 2-20: Gain Error vs. Ambient Temperature and VDD.
- Figure 2-21: VIN High Threshold vs. Ambient Temperature and VDD.
- Figure 2-22: VIN Low Threshold vs. Ambient Temperature and VDD.
- Figure 2-23: Input Hysteresis vs. Ambient Temperature and VDD.
- Figure 2-24: VOUT High Limit vs. Ambient Temperature and VDD.
- Figure 2-25: VOUT Low Limit vs. Ambient Temperature and VDD.
- Figure 2-26: IOUT High Short vs. Ambient Temperature and VDD.
- Figure 2-27: IOUT vs. VOUT. Gain = 2.
- Figure 2-28: VOUT Rise Time 100%.
- Figure 2-29: VOUT Fall Time.
- Figure 2-30: VOUT Rise Time 50%.
- Figure 2-31: VOUT Rise Time 25% - 75%.
- Figure 2-32: VOUT Rise Time Exit Shutdown.
- Figure 2-33: PSRR vs. Frequency.
- 3.0 Pin descriptions
- 4.0 General Overview
- 5.0 Serial Interface
- 6.0 Typical Applications
- 6.1 Digital Interface
- 6.2 Power Supply Considerations
- 6.3 Output Noise Considerations
- 6.4 Layout Considerations
- 6.5 Single-Supply Operation
- 6.6 Bipolar Operation
- 6.7 Selectable Gain and Offset Bipolar Voltage Output Using A Dual DAC
- 6.8 Designing A Double-Precision DAC Using A Dual DAC
- 6.9 Building A Programmable Current Source
- 7.0 Development support
- 8.0 Packaging Information

MCP4821/MCP4822
DS21953A-page 24 © 2005 Microchip Technology Inc.
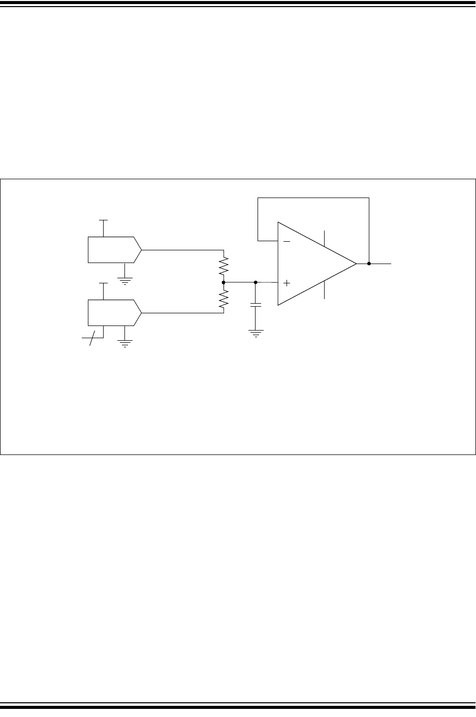
6.8 Designing A Double-Precision
DAC Using A Dual DAC
Example 6-5 illustrates how to design a single-supply
voltage output capable of up to 24-bit resolution from a
dual 12-bit DAC. This design is simply a voltage divider
with a buffered output.
As an example, if a similar application to the one
developed in Section 6.6.1 “Design a Bipolar DAC
Using Example 6-3” required a resolution of 1 µV
instead of 1 mV, and a range of 0V to 4.1V, then 12-bit
resolution would not be adequate.
1. Calculate the resolution needed:
4.1V/1 µV = 4.1e06. Since 2
22
= 4.2e06, 22-bit
resolution is desired. Since DNL = ±0.75 LSb,
this design can be attempted with the MCP482X
family.
2. Since DAC
B
‘s V
OUTB
has a resolution of 1 mV,
its output only needs to be “pulled” 1/1000 to
meet the 1 µV target. Dividing V
OUTA
by 1000
would allow the application to compensate for
DAC
B
‘s DNL error.
3. If R
2
is 100Ω, then R
1
needs to be 100 kΩ.
4. The resulting transfer function is shown in the
equation of Example 6-5.
EXAMPLE 6-5: Simple, Double-Precision DAC.
MCP482X
V
DD
R
2
V
O
MCP482X
V
DD
R
1
DAC
A
(Fine Adjust)
DAC
B
(Course Adjust)
SPI™
3
R
1
>> R
2
V
O
V
OUTA
R
2
V
OUTB
R
1
+
R
1
R
2
+
-----------------------------------------------------
=
G = Gain select (1x or 2x)
D = Digital value of DAC (0 – 4096)
0.1 µF
V
CC
+
V
CC
–
V
OUTA
2.048V G
A
D
A
2
12
-------
⋅= V
OUTB
2.048V G
B
D
B
2
12
-------
⋅=
V
OUTA
V
OUTB










