Operation Manual
Manuals
Brands
Acson Manuals
Air Conditioning
A5CM 20 E-ER
101
102
103
104
105
106
107
108
109
110
105
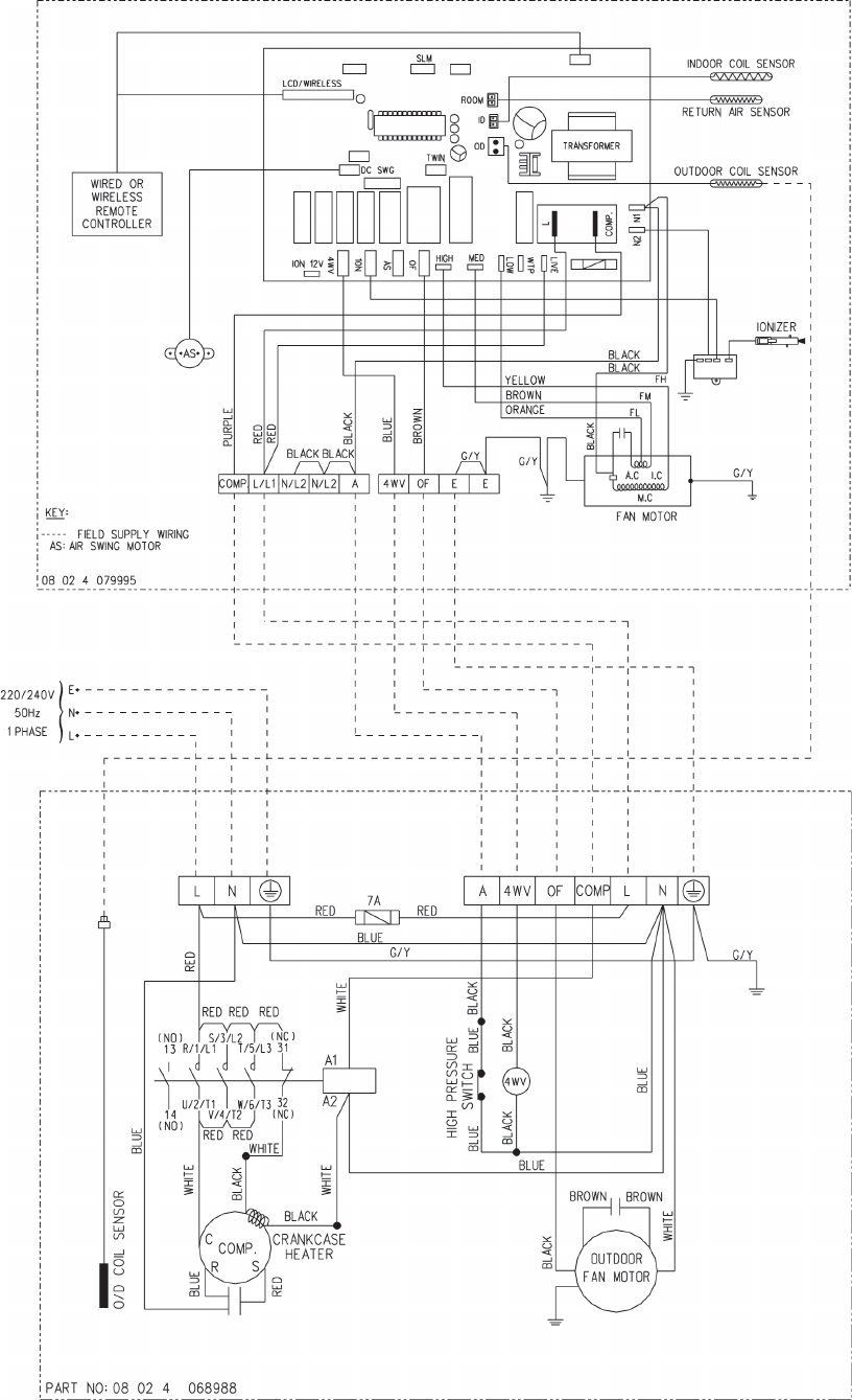
INDOOR UNIT
MODEL: ACM
28ER
OUTDOOR UNIT
MODEL: ALC
30CR
1
...
...
105
106
107
108
109
...
...
125