Operation Manual

27
(4) Wiring
Electrical Connections
Wiring regulations on wire diameters differ from country to country. Please refer to your LOCAL ELECTRI-
CAL CODES for field wiring rules. Be sure that installations comply with the rules and regulations.
General Precautions
Ensure that the rated voltage of the unit corresponds to the name plate before carrying out proper wiring
according to the wiring diagram.
Provide a power outlet to be used exclusively for each unit. A power supply disconnects and a circuit
breaker for over-current protection should be provided in the exclusive line.
The unit must be GROUNDED to prevent possible hazards due to insulation failures.
All wiring must be firmly connected.
All wiring must not touch the hot refrigerant piping, compressor or any moving parts of fan motors.
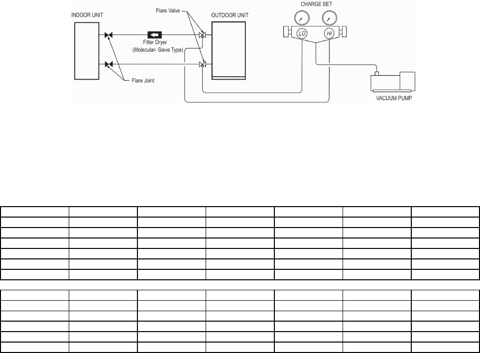
(5) Vacuuming And Charging
The pre-charged outdoor unit does not need any vacuuming or charging. However once it is connected, the
connecting pipe line and the indoor unit need to be vacuumed before releasing the R22/R407C/R410A from
the outdoor unit.
1. Open the service port core cap.
2. Connect pressure gauge to the service port.
3. Connect the line to vacuum pump. Open the charging manifold valve and turn the pump on. Vacuum to -
0.1 MPa (-760mmHg) or lower. (Evacuation time varies by the pump but averagely in 1 hour).
Note : R407C – Fix filter dryer
R22 - Nil
R410A - Nil
(6) Additional Charge
The refrigerant charge has already charged into the outdoor unit. For the piping length of 7.6m, additional
refrigerant charge after vacuuming is not necessary.
When the piping length is more than 7.6m, please use the table below (unit in gram).
The additional refrigerant charge amount recommended is a guideline for longer piping application. The actual
charge required may be different from the guideline due to different application and variation in site conditions.
Model 10m 12m 15m 25m 35m 45m
ALC 15C/CR 37 / 57 68 / 104 - - - -
ALC 18C/CR 38 / 54 70 / 98 118 / 166 - - -
ALC 20C/CR 38 / 53 70 / 96 118 / 162 - - -
ALC 25C/CR 94 / 53 172 / 98 289 / 164 - - -
ALC 28C/CR 94 / 133 172 / 244 291 / 411 - - -
ALC 30C/CR 133 / 133 244 / 243 410 / 409 964 / 961 1518 / 1514 2072 / 2067
Model 10m 15m 20m 25m 35m 45m
A5LC 15C/CR 20 / 39 37 / 71 - - - -
A5LC 20C/CR 24 / 40 44 / 73 74 / 123 - - -
A5LC 25C/CR 24 / 23 45 / 43 75 / 72 - - -
A5LC 28C/CR 58 / 91 106 / 167 178 / 281 - - -
A5LC 35C/CR 65 / 98 118 / 180 199 / 303 469 / 712 738 / 1122 1007 / 1531