Operation Manual
Manuals
Brands
Acson Manuals
Air Conditioning
A5CM 28 E-ER
101
102
103
104
105
106
107
108
109
110
107
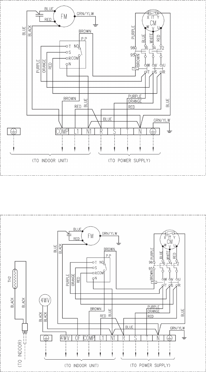
3 PHASE FOR 2 & 2.5 HP R410A OUTDOOR UNIT
MODEL:
A5LC 20/25C (COOLING ONL
Y)
3 PHASE / 50Hz / 380 - 415V
MODEL:
A5LC 20/25CR (HEA
T PUMP)
3 PHASE / 50Hz / 380 - 415V
1
...
...
107
108
109
110
111
...
...
125