Operation Manual
Manuals
Brands
Acson Manuals
Air Conditioning
ACM 20 E-ER
101
102
103
104
105
106
107
108
109
110
99
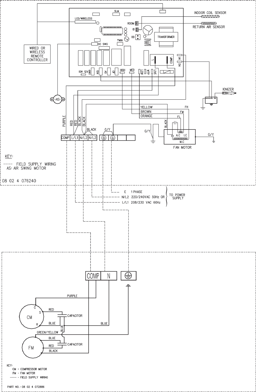
INDOOR UNIT
MODEL: ACM
/ A5CM
28E
OUTDOOR UNIT
MODEL: ALC
/ A5LC
28C
1
...
...
99
100
101
102
103
...
...
125