Operation Manual
Manuals
Brands
Acson Manuals
Air Conditioning
ACM 28 E-ER
91
92
93
94
95
96
97
98
99
100
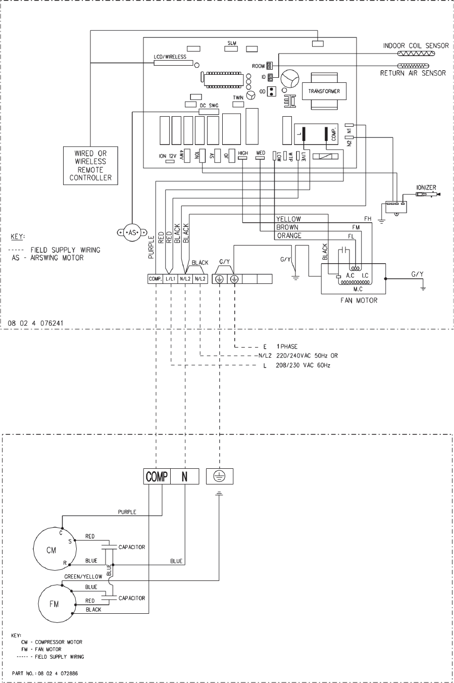
INDOOR UNIT
MODEL: ACM
/ A5CM
20/25E
OUTDOOR UNIT
MODEL: ALC
18C
ALC /
A5LC 20/25C
98
1
...
...
98
99
100
101
102
...
...
125