Operation Manual
Manuals
Brands
Acson Manuals
Air Conditioning
ACM 28 E-ER
101
102
103
104
105
106
107
108
109
110
101
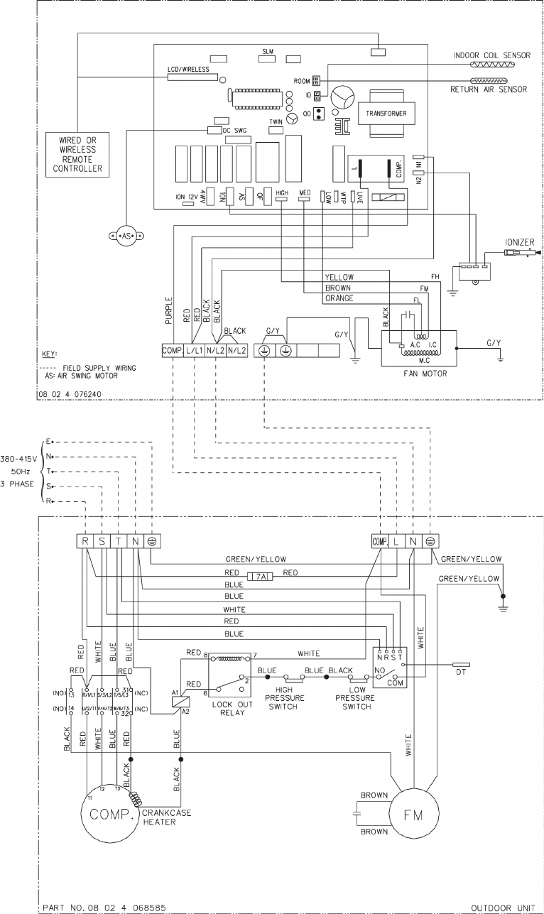
INDOOR UNIT
MODEL: A5CM
28E
OUTDOOR UNIT
MODEL: A5LC
35C
1
...
...
101
102
103
104
105
...
...
125