Operation Manual
Manuals
Brands
Acson Manuals
Air Conditioning
ACM 28 E-ER
11
12
13
14
15
16
17
18
19
20
10
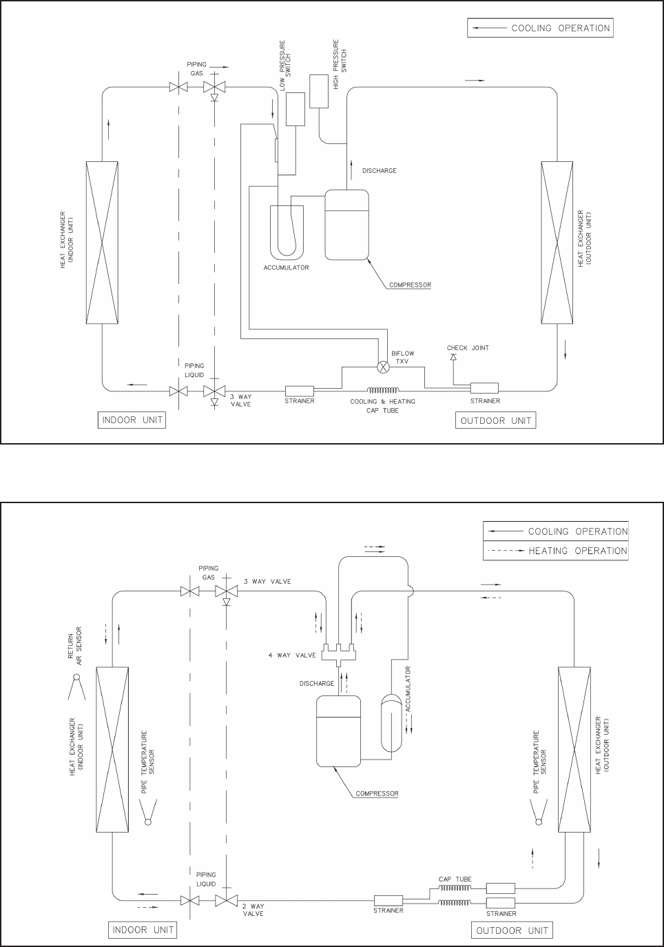
MODEL :
A5CM 28E -
A5LC 35C
MODEL :
ACM /
A5CM 15ER -
ALC /
A5LC 15CR
1
...
...
10
11
12
13
14
...
...
125