PatchSwitch Model RS-232/V24, X21, and V35 User Manual
Table Of Contents

ADCP-50-304 • Issue 19 • June 1999 • Section 2: Functional Description
Page 2-5
© 1999, ADC Telecommunications, Inc.
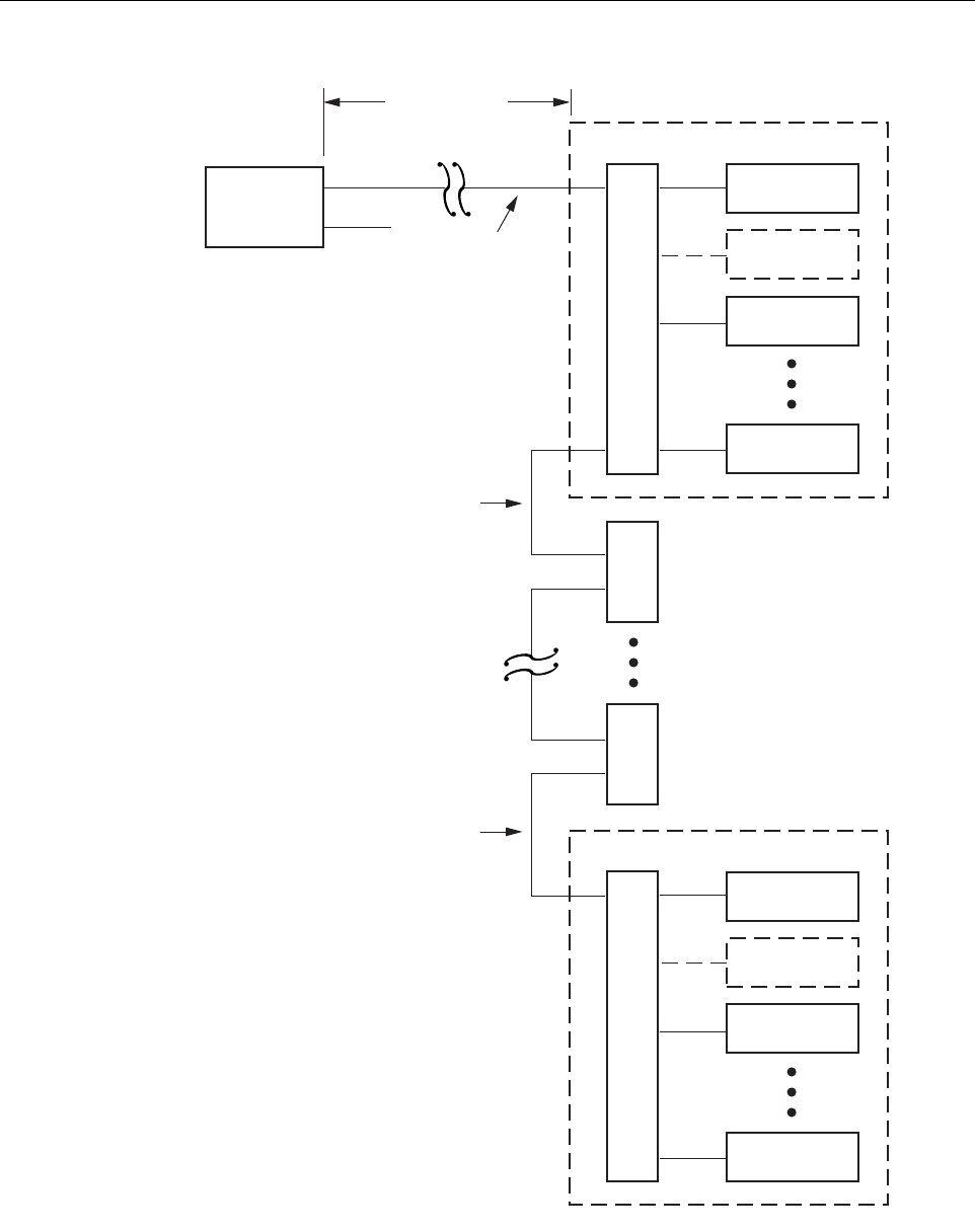
Figure 2-4. RCU to Local PatchSwtich Chassis, Interconnection Block Diagram
RS-422
RS-232
REMOTE
CONTROL
UNIT
UP TO 1000 FT.
(304 M)
PATCHSWITCH CHASSIS 0
CM 0
SLOT 18
PS MODULE
SLOT 16
PS MODULE
SLOT 1
SLOT 17
SLOTS
2 – 15
B
A
C
K
P
L
A
N
E
PATCHSWITCH CHASSIS 7
CM 7
SLOT 18
PS MODULE
SLOT 16
PS MODULE
SLOT 1
SLOT 17
SLOTS
2 – 15
B
A
C
K
P
L
A
N
E
PS CHASSIS 1
PS CHASSIS 6
PS CHASSIS
2 – 5
RS-422
COMMUNICATION
CHANNEL
RS-422
COMMUNICATION
CHANNEL
RS-422
COMMUNICATION
CHANNEL
1610-A