PremisePro User Manual

17
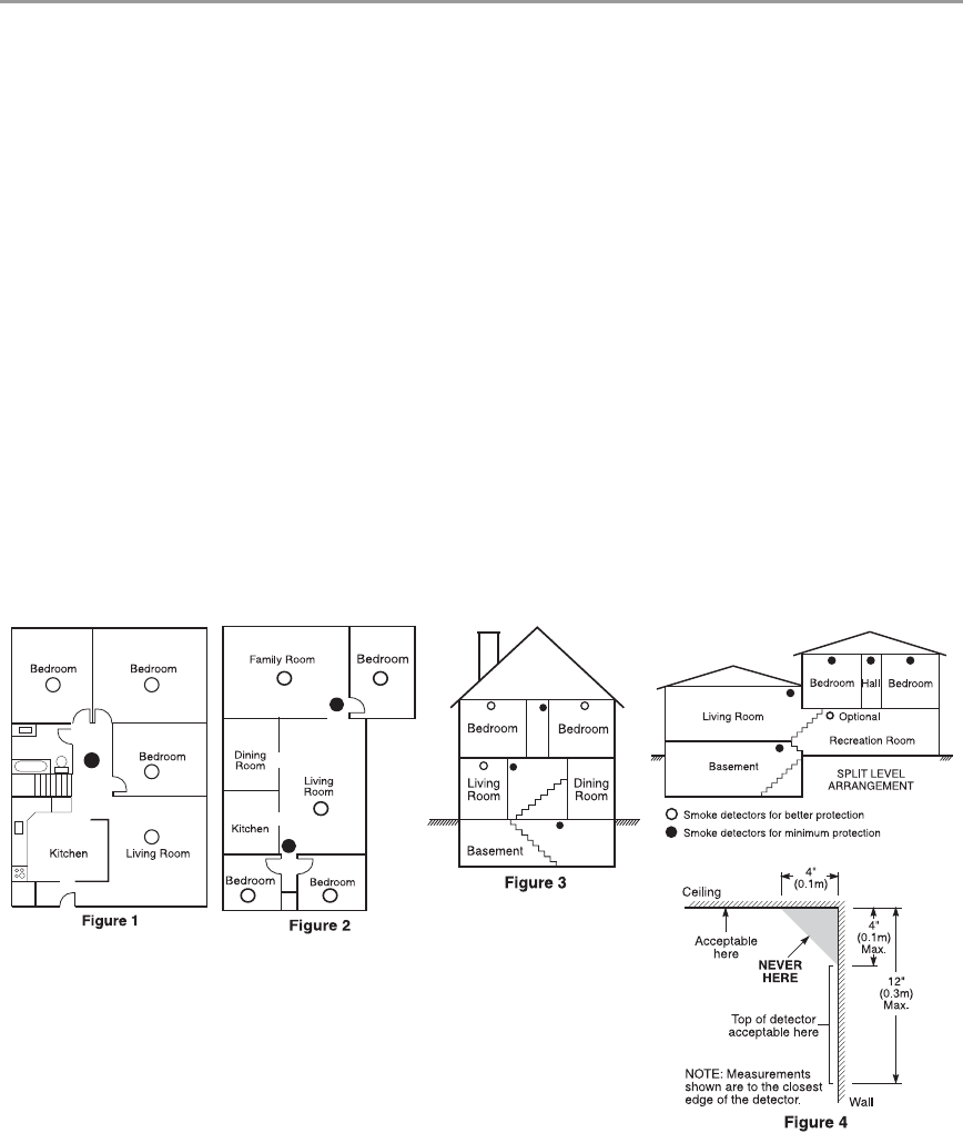
Guidelines for Locating Smoke Detectors
Research has shown that all hostile fires in homes generate smoke to a greater or lesser extent. Experiments with typical
fires in homes indicate that detectable quantities of smoke precede detectable levels of heat in most cases. For these
reasons, smoke alarms should be installed outside of each sleeping area and on each storey of the home.
The following information is for general guidance only and it is recommended that local fire codes and regulations be
consulted when locating and installing smoke alarms.
It is recommended that additional smoke alarms beyond those required for minimum protection be installed. Additional
areas that should be protected include: the basement; bedrooms, especially where smokers sleep; dining rooms; furnace
and utility rooms; and any hallways not protected by the required units.
On smooth ceilings, detectors may be spaced 9.1m (30 feet) apart as a guide. Other spacing may be required depending
on ceiling height, air movement, the presence of joists, uninsulated ceilings, etc. Consult National Fire Alarm Code NFPA
72, CAN/ULC-S553-M86 or other appropriate national standards for installation recommendations.
• Do not locate smoke detectors at the top of peaked or gabled ceilings; the dead air space in these locations may pre-
vent the unit from detecting smoke.
• Avoid areas with turbulent air flow, such as near doors, fans or windows. Rapid air movement around the detector may
prevent smoke from entering the unit.
• Do not locate detectors in areas of high humidity.
• Do not locate detectors in areas where the temperature rises above 38
o
C
(100
o
F) or falls below 5
o
C (41
o
F).
• Smoke detectors should always be installed in accordance with NFPA 72, the National Fire Alarm Code. Smoke detec-
tors should always be located in accordance with:
‘Smoke detectors shall be installed outside of each separate sleeping area in the immediate vicinity of the bedrooms and
on each additional storey of the family living unit, including basements and excluding crawl spaces and unfinished attics.
In new construction, a smoke detector also shall be installed in each sleeping room’.
’Split level arrangement: Smoke detectors are required where shown. Smoke detectors are optional where a door is not
provided between living room and recreation room’.










