Data Acquisition Modules User's Manual
Manuals
Brands
Advantech Manuals
Network Card
Data Acquisition Modules ADAM 4000
361
362
363
364
365
366
367
368
369
370
Technical Specificati
ons
A-
38
ADAM 4000 Series User’s Manual
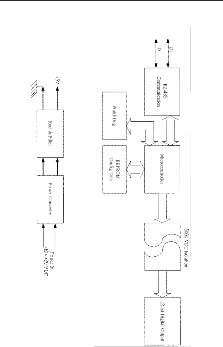
Figure A
-16
ADAM-4056S Function Diagram
1
...
...
364
365
366
367
368
...
...
429