Data Acquisition Modules User's Manual
Manuals
Brands
Advantech Manuals
Network Card
Data Acquisition Modules ADAM 4000
391
392
393
394
395
396
397
398
399
400
Appendix C
Appendix C Technical Diagrams C
-
5
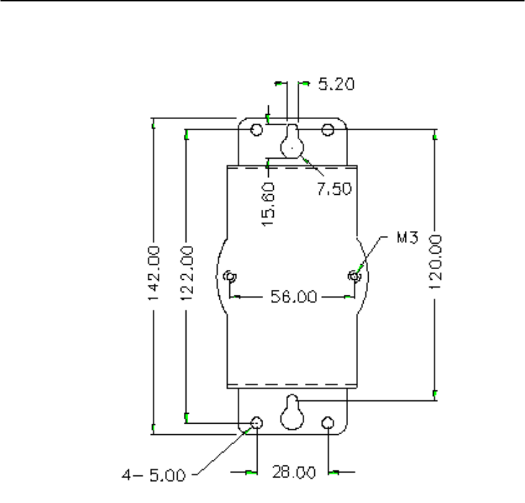
C.2.2 Panel Mounting
Figure C-
4
Panel Mounting Bracket Dimensions
1
...
...
391
392
393
394
395
...
...
429