Data Acquisition Modules User's Manual
Manuals
Brands
Advantech Manuals
Network Card
Data Acquisition Modules ADAM 4000
81
82
83
84
85
86
87
88
89
90
Chapter
3
Chapter 3 I/O Modules
3-59
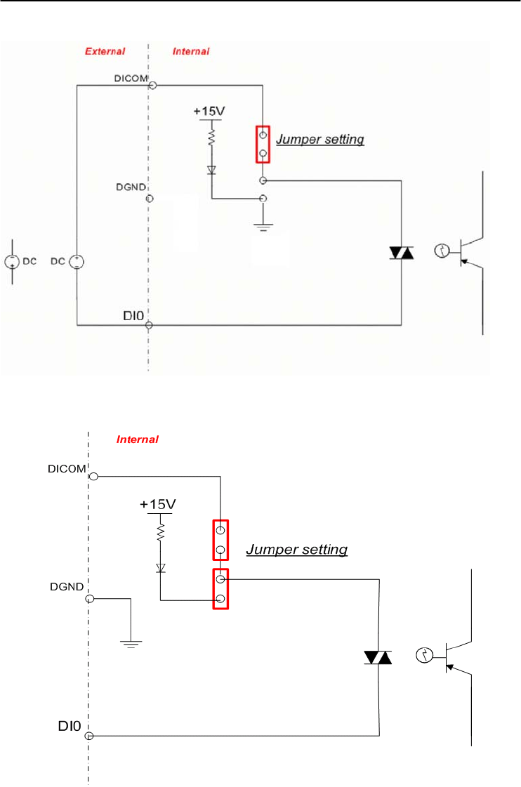
Figure 3-55b
ADAM-4055 Digital
Input Wet Contact Diagram
(Internal)
Figure 3-56a
ADAM-4055 Default Jum
per Setting for the
Digital Input Wi
ring
(Support dry and wet contact digital input at the same time)
1
...
...
84
85
86
87
88
...
...
429