Technical data
Manuals
Brands
AGA Manuals
Domestic Appliances
COOKMASTER R40G
41
42
43
44
45
46
47
48
49
50
Fault Finding
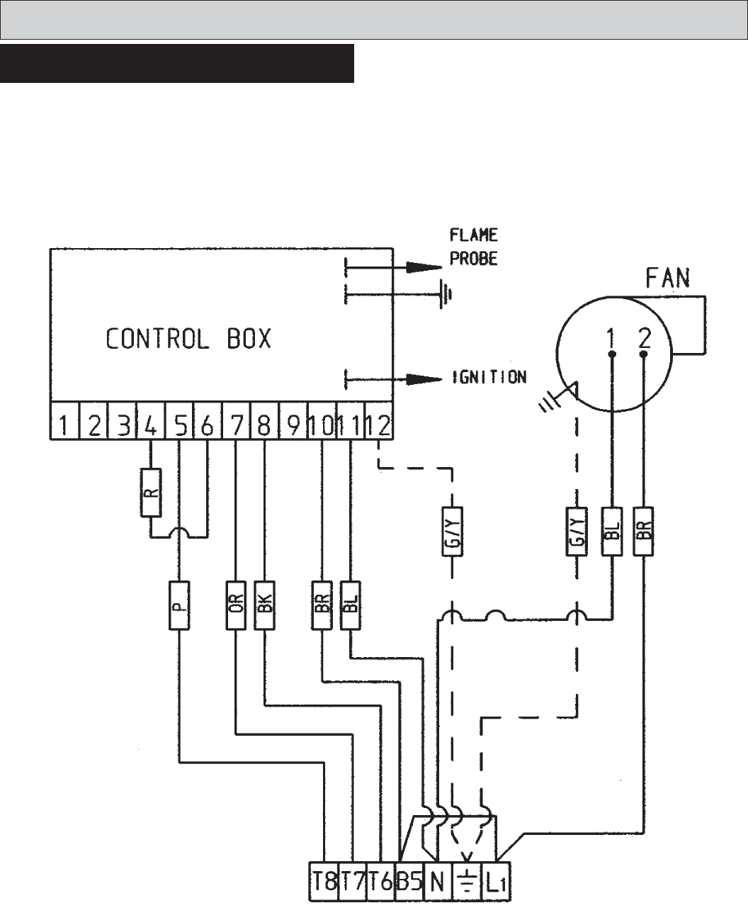
WIRING DIAGRAM - BURNER ONL
Y
FIG
. 31
45
1
...
...
43
44
45
46
47
...
...
52