Technical data
Manuals
Brands
AGA Manuals
Domestic Appliances
COOKMASTER R40G
41
42
43
44
45
46
47
48
49
50
Fault Finding
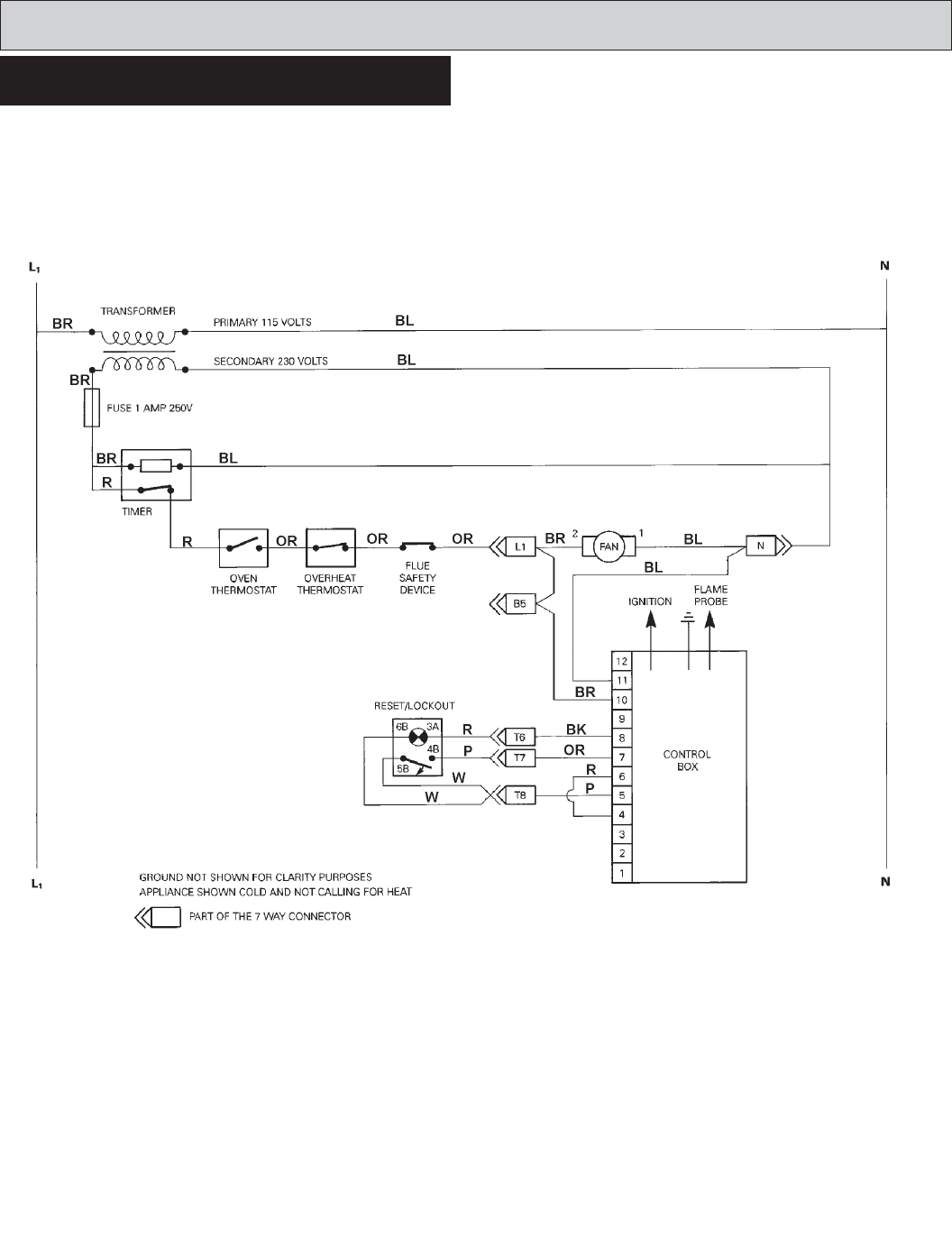
WIRING DIAGRAM -APPLIANCE
FIG
. 32
46
CAUTION: LABEL
ALL
WIRES PRIOR T
O DISCONNECTION WHEN
SERVICING CONTROLS. WIRING ERRORS CAN CAUSE IMPROPER
AND
DANGEROUS OPERA
TION. VERIFY PROPER OPERA
TION
AFTER
SERVICING
.
1
...
...
44
45
46
47
48
...
...
52