Specifications

Table Of Contents
Chapter 8: Theory of Operation
150
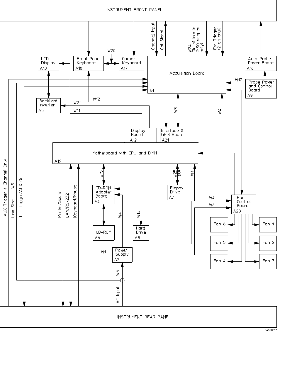
Figure 8-1
Oscilloscope Block Diagram