Technical data
Table Of Contents
- In This Book
- Contents
- What's New
- Setting Up
- Introduction to Programming
- Communicating with the Oscilloscope
- Instructions
- Instruction Header
- White Space (Separator)
- Braces
- Ellipsis
- Square Brackets
- Command and Query Sources
- Program Data
- Header Types
- Query Headers
- Program Header Options
- Character Program Data
- Numeric Program Data
- Embedded Strings
- Program Message Terminator
- Common Commands within a Subsystem
- Selecting Multiple Subsystems
- Programming Getting Started
- Referencing the IO Library
- Opening the Oscilloscope Connection via the IO Library
- Initializing the Interface and the Oscilloscope
- Example Program
- Using the DIGITIZE Command
- Receiving Information from the Oscilloscope
- String Variable Example
- Numeric Variable Example
- Definite-Length Block Response Data
- Multiple Queries
- Oscilloscope Status
- LAN, USB, and GPIB Interfaces
- Message Communication and System Functions
- Status Reporting
- Figure 1 Status Reporting Overview Block Diagram
- Status Reporting Data Structures
- Status Byte Register
- Service Request Enable Register
- Message Event Register
- Trigger Event Register
- Standard Event Status Register
- Standard Event Status Enable Register
- Operation Status Register
- Operation Status Enable Register
- Mask Test Event Register
- Mask Test Event Enable Register
- Acquisition Done Event Register
- Process Done Event Register
- Trigger Armed Event Register
- Auto Trigger Event Register
- Error Queue
- Output Queue
- Message Queue
- Clearing Registers and Queues
- Remote Acquisition Synchronization
- Programming Conventions
- Acquire Commands
- :ACQuire:AVERage
- :ACQuire[:AVERage]:COUNt
- :ACQuire:BANDwidth
- :ACQuire:COMPlete
- :ACQuire:COMPlete:STATe
- :ACQuire:HRESolution
- :ACQuire:INTerpolate
- :ACQuire:MODE
- :ACQuire:POINts[:ANALog]
- :ACQuire:POINts:AUTO
- :ACQuire:POINts:DIGital?
- :ACQuire:SEGMented:COUNt
- :ACQuire:SEGMented:INDex
- :ACQuire:SEGMented:TTAGs
- :ACQuire:SRATe[:ANALog]
- :ACQuire:SRATe[:ANALog]:AUTO
- :ACQuire:SRATe:DIGital
- :ACQuire:SRATe:DIGital:AUTO
- Bus Commands
- Calibration Commands
- Channel Commands
- :CHANnel
:BWLimit - :CHANnel
:COMMonmode - :CHANnel
:DIFFerential - :CHANnel
:DIFFerential:SKEW - :CHANnel
:DISPlay - :CHANnel
:DISPlay:AUTO - :CHANnel
:DISPlay:OFFSet - :CHANnel
:DISPlay:RANGe - :CHANnel
:DISPlay:SCALe - :CHANnel
:INPut - :CHANnel
:ISIM:APPLy - :CHANnel
:ISIM:BANDwidth - :CHANnel
:ISIM:BWLimit - :CHANnel
:ISIM:CONVolve - :CHANnel
:ISIM:CORRection - :CHANnel
:ISIM:DEConvolve - :CHANnel
:ISIM:DELay - :CHANnel
:ISIM:NORMalize - :CHANnel
:ISIM:PEXTraction - :CHANnel
:ISIM:SPAN - :CHANnel
:ISIM:STATe - :CHANnel
:LABel - :CHANnel
:OFFSet - :CHANnel
:PROBe - :CHANnel
:PROBe:ACCAL - :CHANnel
:PROBe:ATTenuation - :CHANnel
:PROBe:AUTozero - :CHANnel
:PROBe:COUPling - :CHANnel
:PROBe:EADapter - :CHANnel
:PROBe:ECOupling - :CHANnel
:PROBe:EXTernal - :CHANnel
:PROBe:EXTernal:GAIN - :CHANnel
:PROBe:EXTernal:OFFSet - :CHANnel
:PROBe:EXTernal:UNITs - :CHANnel
:PROBe:GAIN - :CHANnel
:PROBe:HEAD:ADD - :CHANnel
:PROBe:HEAD:DELete ALL - :CHANnel
:PROBe:HEAD:SELect - :CHANnel
:PROBe:HEAD:VTERm - :CHANnel
:PROBe:ID? - :CHANnel
:PROBe:MODE - :CHANnel
:PROBe:PRECprobe:BANDwidth - :CHANnel
:PROBe:PRECprobe:CALibration - :CHANnel
:PROBe:PRECprobe:MODE - :CHANnel
:PROBe:PRECprobe:ZSRC - :CHANnel
:PROBe:SKEW - :CHANnel
:PROBe:STYPe - :CHANnel
:RANGe - :CHANnel
:SCALe - :CHANnel
:UNITs
- :CHANnel
- Common Commands
- Digital Commands
- Disk Commands
- Display Commands
- :DISPlay:CGRade
- :DISPlay:CGRade:LEVels?
- :DISPlay:CGRade:SCHeme
- :DISPlay:COLumn
- :DISPlay:CONNect
- :DISPlay:DATA?
- :DISPlay:GRATicule
- :DISPlay:GRATicule:INTensity
- :DISPlay:GRATicule:NUMBer
- :DISPlay:GRATicule:SETGrat
- :DISPlay:GRATicule:SIZE
- :DISPlay:LABel
- :DISPlay:LINE
- :DISPlay:PERSistence
- :DISPlay:ROW
- :DISPlay:SCOLor
- :DISPlay:STATus:COL
- :DISPlay:STATus:ROW
- :DISPlay:STRing
- :DISPlay:TAB
- :DISPlay:TEXT
- Function Commands
- :FUNCtion
? - :FUNCtion
:ABSolute - :FUNCtion
:ADD - :FUNCtion
:ADEMod - :FUNCtion
:AVERage - :FUNCtion
:COMMonmode - :FUNCtion
:DELay - :FUNCtion
:DIFF - :FUNCtion
:DISPlay - :FUNCtion
:DIVide - :FUNCtion
:FFT:FREQuency - :FUNCtion
:FFT:REFerence - :FUNCtion
:FFT:RESolution? - :FUNCtion
:FFT:TDELay - :FUNCtion
:FFT:WINDow - :FUNCtion
:FFTMagnitude - :FUNCtion
:FFTPhase - :FUNCtion
:GATing - :FUNCtion
:HIGHpass - :FUNCtion
:HORizontal - :FUNCtion
:HORizontal:POSition - :FUNCtion
:HORizontal:RANGe - :FUNCtion
:INTegrate - :FUNCtion
:INVert - :FUNCtion
:LOWPass - :FUNCtion
:MAGNify - :FUNCtion
:MAXimum - :FUNCtion
:MHIStogram - :FUNCtion
:MINimum - :FUNCtion
:MTRend - :FUNCtion
:MULTiply - :FUNCtion
:OFFSet - :FUNCtion
:RANGe - :FUNCtion
:SMOoth - :FUNCtion
:SQRT - :FUNCtion
:SQUare - :FUNCtion
:SUBTract - :FUNCtion
:VERSus - :FUNCtion
:VERTical - :FUNCtion
:VERTical:OFFSet - :FUNCtion
:VERTical:RANGe
- :FUNCtion
- Hardcopy Commands
- Histogram Commands
- InfiniiScan (ISCan) Commands
- :ISCan:DELay
- :ISCan:MEASurement:FAIL
- :ISCan:MEASurement:LLIMit
- :ISCan:MEASurement
- :ISCan:MEASurement:ULIMit
- :ISCan:MODE
- :ISCan:NONMonotonic:EDGE
- :ISCan:NONMonotonic:HYSTeresis
- :ISCan:NONMonotonic:SOURce
- :ISCan:RUNT:HYSTeresis
- :ISCan:RUNT:LLEVel
- :ISCan:RUNT:SOURce
- :ISCan:RUNT:ULEVel
- :ISCan:SERial:PATTern
- :ISCan:SERial:SOURce
- :ISCan:ZONE:HIDE
- :ISCan:ZONE:SOURce
- :ISCan:ZONE
:MODE - :ISCan:ZONE
:PLACement - :ISCan:ZONE
:STATe
- Limit Test Commands
- Lister Commands
- Marker Commands
- Mask Test Commands
- :MTESt:ALIGn
- :MTESt:AlignFIT
- :MTESt:AMASk:CREate
- :MTESt:AMASk:SOURce
- :MTESt:AMASk:SAVE
- :MTESt:AMASk:UNITs
- :MTESt:AMASk:XDELta
- :MTESt:AMASk:YDELta
- :MTESt:AUTO
- :MTESt:AVERage
- :MTESt:AVERage:COUNt
- :MTESt:COUNt:FAILures?
- :MTESt:COUNt:FUI?
- :MTESt:COUNt:FWAVeforms?
- :MTESt:COUNt:UI?
- :MTESt:COUNt:WAVeforms?
- :MTESt:DELete
- :MTESt:ENABle
- :MTESt:FOLDing
- :MTESt:FOLDing:BITS
- :MTESt:FOLDing:FAST
- :MTESt:HAMPlitude
- :MTESt:IMPedance
- :MTESt:INVert
- :MTESt:LAMPlitude
- :MTESt:LOAD
- :MTESt:NREGions?
- :MTESt:PROBe:IMPedance?
- :MTESt:RUMode
- :MTESt:RUMode:SOFailure
- :MTESt:SCALe:BIND
- :MTESt:SCALe:X1
- :MTESt:SCALe:XDELta
- :MTESt:SCALe:Y1
- :MTESt:SCALe:Y2
- :MTESt:SOURce
- :MTESt:STARt
- :MTESt:STOP
- :MTESt:STIMe
- :MTESt:TITLe?
- :MTESt:TRIGger:SOURce
- Measure Commands
- :MEASure:AREA
- :MEASure:BINTerval
- :MEASure:BPERiod
- :MEASure:BWIDth
- :MEASure:CDRRATE
- :MEASure:CGRade:CROSsing
- :MEASure:CGRade:DCDistortion
- :MEASure:CGRade:EHEight
- :MEASure:CGRade:EWIDth
- :MEASure:CGRade:EWINdow
- :MEASure:CGRade:JITTer
- :MEASure:CGRade:QFACtor
- :MEASure:CHARge
- :MEASure:CLEar
- :MEASure:CLOCk
- :MEASure:CLOCk:METHod
- :MEASure:CLOCk:METHod:ALIGn
- :MEASure:CLOCk:METHod:DEEMphasis
- :MEASure:CLOCk:METHod:EDGE
- :MEASure:CLOCk:METHod:JTF
- :MEASure:CLOCk:METHod:OJTF
- :MEASure:CLOCk:VERTical
- :MEASure:CLOCk:VERTical:OFFSet
- :MEASure:CLOCk:VERTical:RANGe
- :MEASure:CROSsing
- :MEASure:CTCDutycycle
- :MEASure:CTCJitter
- :MEASure:CTCNwidth
- :MEASure:CTCPwidth
- :MEASure:DATarate
- :MEASure:DEEMphasis
- :MEASure:DELTatime
- :MEASure:DELTatime:DEFine
- :MEASure:DUTYcycle
- :MEASure:EDGE
- :MEASure:ETOedge
- :MEASure:FALLtime
- :MEASure:FFT:DFRequency
- :MEASure:FFT:DMAGnitude
- :MEASure:FFT:FREQuency
- :MEASure:FFT:MAGNitude
- :MEASure:FFT:PEAK1
- :MEASure:FFT:PEAK2
- :MEASure:FFT:THReshold
- :MEASure:FREQuency
- :MEASure:HISTogram:HITS
- :MEASure:HISTogram:M1S
- :MEASure:HISTogram:M2S
- :MEASure:HISTogram:M3S
- :MEASure:HISTogram:MAX
- :MEASure:HISTogram:MEAN
- :MEASure:HISTogram:MEDian
- :MEASure:HISTogram:MIN
- :MEASure:HISTogram:MODE
- :MEASure:HISTogram:PEAK
- :MEASure:HISTogram:PP
- :MEASure:HISTogram:RESolution
- :MEASure:HISTogram:STDDev
- :MEASure:HOLDtime
- :MEASure:JITTer:HISTogram
- :MEASure:JITTer:MEASurement
- :MEASure:JITTer:SPECtrum
- :MEASure:JITTer:SPECtrum:HORizontal
- :MEASure:JITTer:SPECtrum:HORizontal:POSition
- :MEASure:JITTer:SPECtrum:HORizontal:RANGe
- :MEASure:JITTer:SPECtrum:VERTical
- :MEASure:JITTer:SPECtrum:VERTical:OFFSet
- :MEASure:JITTer:SPECtrum:VERTical:RANGe
- :MEASure:JITTer:SPECtrum:VERTical:TYPE
- :MEASure:JITTer:SPECtrum:WINDow
- :MEASure:JITTer:STATistics
- :MEASure:JITTer:TRENd
- :MEASure:JITTer:TRENd:SMOoth
- :MEASure:JITTer:TRENd:SMOoth:POINts
- :MEASure:JITTer:TRENd:VERTical
- :MEASure:JITTer:TRENd:VERTical:OFFSet
- :MEASure:JITTer:TRENd:VERTical:RANGe
- :MEASure:NAME
- :MEASure:NCJitter
- :MEASure:NOISe
- :MEASure:NOISe:ALL?
- :MEASure:NOISe:BANDwidth
- :MEASure:NOISe:LOCation
- :MEASure:NOISe:METHod
- :MEASure:NOISe:REPort
- :MEASure:NOISe:RN
- :MEASure:NOISe:SCOPe:RN
- :MEASure:NOISe:STATe
- :MEASure:NOISe:UNITs
- :MEASure:NPERiod
- :MEASure:NPULses
- :MEASure:NUI
- :MEASure:NWIDth
- :MEASure:OVERshoot
- :MEASure:PAMPlitude
- :MEASure:PBASe
- :MEASure:PERiod
- :MEASure:PHASe
- :MEASure:PPULses
- :MEASure:PREShoot
- :MEASure:PTOP
- :MEASure:PWIDth
- :MEASure:QUALifier
:CONDition - :MEASure:QUALifier
:SOURce - :MEASure:QUALifier
:STATe - :MEASure:RESults?
- :MEASure:RISetime
- :MEASure:RJDJ:ALL?
- :MEASure:RJDJ:APLength?
- :MEASure:RJDJ:BANDwidth
- :MEASure:RJDJ:BER
- :MEASure:RJDJ:CLOCk
- :MEASure:RJDJ:EDGE
- :MEASure:RJDJ:INTerpolate
- :MEASure:RJDJ:METHod
- :MEASure:RJDJ:MODe
- :MEASure:RJDJ:PLENgth
- :MEASure:RJDJ:REPort
- :MEASure:RJDJ:RJ
- :MEASure:RJDJ:SCOPe:RJ
- :MEASure:RJDJ:SOURce
- :MEASure:RJDJ:STATe
- :MEASure:RJDJ:TJRJDJ?
- :MEASure:RJDJ:UNITs
- :MEASure:SCRatch
- :MEASure:SENDvalid
- :MEASure:SETuptime
- :MEASure:SLEWrate
- :MEASure:SOURce
- :MEASure:STATistics
- :MEASure:TEDGe
- :MEASure:THResholds:ABSolute
- :MEASure:THResholds:GENeral:ABSolute
- :MEASure:THResholds:GENeral:HYSTeresis
- :MEASure:THResholds:GENeral:METHod
- :MEASure:THResholds:GENeral:PERCent
- :MEASure:THResholds:GENeral:TOPBase:ABSolute
- :MEASure:THResholds:GENeral:TOPBase:METHod
- :MEASure:THResholds:HYSTeresis
- :MEASure:THResholds:METHod
- :MEASure:THResholds:PERCent
- :MEASure:THResholds:RFALl:ABSolute
- :MEASure:THResholds:RFALl:HYSTeresis
- :MEASure:THResholds:RFALl:METHod
- :MEASure:THResholds:RFALl:PERCent
- :MEASure:THResholds:RFALl:TOPBase:ABSolute
- :MEASure:THResholds:RFALl:TOPBase:METHod
- :MEASure:THResholds:SERial:ABSolute
- :MEASure:THResholds:SERial:HYSTeresis
- :MEASure:THResholds:SERial:METHod
- :MEASure:THResholds:SERial:PERCent
- :MEASure:THResholds:SERial:TOPBase:ABSolute
- :MEASure:THResholds:SERial:TOPBase:METHod
- :MEASure:THResholds:TOPBase:ABSolute
- :MEASure:THResholds:TOPBase:METHod
- :MEASure:TIEClock2
- :MEASure:TIEData
- :MEASure:TIEFilter:SHAPe
- :MEASure:TIEFilter:STARt
- :MEASure:TIEFilter:STATe
- :MEASure:TIEFilter:STOP
- :MEASure:TIEFilter:TYPE
- :MEASure:TMAX
- :MEASure:TMIN
- :MEASure:TVOLt
- :MEASure:UITouijitter
- :MEASure:UNITinterval
- :MEASure:VAMPlitude
- :MEASure:VAVerage
- :MEASure:VBASe
- :MEASure:VLOWer
- :MEASure:VMAX
- :MEASure:VMIDdle
- :MEASure:VMIN
- :MEASure:VOVershoot
- :MEASure:VPP
- :MEASure:VPReshoot
- :MEASure:VRMS
- :MEASure:VTIMe
- :MEASure:VTOP
- :MEASure:VUPPer
- :MEASure:WINDow
- :MEASurement
:NAME - :MEASurement
:SOURce
- Pod Commands
- Root Level Commands
- :ADER?
- :AER?
- :ASTate?
- :ATER?
- :AUToscale
- :AUToscale:CHANnels
- :AUToscale:PLACement
- :AUToscale:VERTical
- :BEEP
- :BLANk
- :CDISplay
- :DIGitize
- :DISable DIGital
- :ENABle DIGital
- :MODel?
- :MTEE
- :MTER?
- :OPEE
- :OPER?
- :OVLRegister?
- :PDER?
- :RECall:SETup
- :RSTate?
- :RUN
- :SERial
- :SINGle
- :STATus?
- :STOP
- :STORe:JITTer
- :STORe:SETup
- :STORe:WAVeform
- :TER?
- :VIEW
- Serial Bus Commands
- General :SBUS
Commands - :SBUS
:CAN Commands - :SBUS
:IIC Commands - :SBUS
:SPI Commands - :SBUS
:SPI:BITorder - :SBUS
:SPI:CLOCk:SLOPe - :SBUS
:SPI:CLOCk:TIMeout - :SBUS
:SPI:FRAMe:STATe - :SBUS
:SPI:SOURce:CLOCk - :SBUS
:SPI:SOURce:DATA - :SBUS
:SPI:SOURce:FRAMe - :SBUS
:SPI:SOURce:MISO - :SBUS
:SPI:SOURce:MOSI - :SBUS
:SPI:TRIGger:PATTern:DATA - :SBUS
:SPI:TRIGger:PATTern:WIDTh - :SBUS
:SPI:TRIGger:TYPE - :SBUS
:SPI:TYPE - :SBUS
:SPI:WIDTh
- :SBUS
- General :SBUS
- Self-Test Commands
- Serial Data Equalization Commands
- :SPRocessing:CTLequalizer:DISPlay
- :SPRocessing:CTLequalizer:SOURce
- :SPRocessing:CTLequalizer:DCGain
- :SPRocessing:CTLequalizer:NUMPoles
- :SPRocessing:CTLequalizer:P1
- :SPRocessing:CTLequalizer:P2
- :SPRocessing:CTLequalizer:P3
- :SPRocessing:CTLequalizer:RATe
- :SPRocessing:CTLequalizer:VERTical
- :SPRocessing:CTLequalizer:VERTical:OFFSet
- :SPRocessing:CTLequalizer:VERTical:RANGe
- :SPRocessing:CTLequalizer:ZERo
- :SPRocessing:DFEQualizer:STATe
- :SPRocessing:DFEQualizer:SOURce
- :SPRocessing:DFEQualizer:NTAPs
- :SPRocessing:DFEQualizer:TAP
- :SPRocessing:DFEQualizer:TAP:WIDTh
- :SPRocessing:DFEQualizer:TAP:DELay
- :SPRocessing:DFEQualizer:TAP:MAX
- :SPRocessing:DFEQualizer:TAP:MIN
- :SPRocessing:DFEQualizer:TAP:GAIN
- :SPRocessing:DFEQualizer:TAP:UTARget
- :SPRocessing:DFEQualizer:TAP:LTARget
- :SPRocessing:DFEQualizer:TAP:AUTomatic
- :SPRocessing:FFEQualizer:DISPlay
- :SPRocessing:FFEQualizer:SOURce
- :SPRocessing:FFEQualizer:NPRecursor
- :SPRocessing:FFEQualizer:NTAPs
- :SPRocessing:FFEequalizer:RATe
- :SPRocessing:FFEQualizer:TAP
- :SPRocessing:FFEQualizer:TAP:PLENgth
- :SPRocessing:FFEQualizer:TAP:WIDTh
- :SPRocessing:FFEQualizer:TAP:DELay
- :SPRocessing:FFEQualizer:TAP:AUTomatic
- :SPRocessing:FFEQualizer:TAP:BANDwidth
- :SPRocessing:FFEQualizer:TAP:BWMode
- :SPRocessing:FFEQualizer:TAP:TDELay
- :SPRocessing:FFEQualizer:TAP:TDMode
- :SPRocessing:FFEQualizer:VERTical
- :SPRocessing:FFEQualizer:VERTical:OFFSet
- :SPRocessing:FFEQualizer:VERTical:RANGe
- System Commands
- Time Base Commands
- Trigger Commands
- General Trigger Commands
- Comm Trigger Commands
- Delay Trigger Commands
- Edge Trigger Commands
- Glitch Trigger Commands
- Pattern Trigger Commands
- Pulse Width Trigger Commands
- Runt Trigger Commands
- Setup and Hold Trigger Commands
- State Trigger Commands
- Timeout Trigger Commands
- Transition Trigger Commands
- TV Trigger Commands
- Window Trigger Commands
- Advanced Comm Trigger Commands
- Advanced Pattern Trigger Commands
- Advanced State Trigger Commands
- Advanced Delay By Event Trigger Commands
- Advanced Delay By Time Trigger Commands
- Advanced Standard TV Trigger Commands
- Advanced User Defined TV Mode and Commands
- Advanced Violation Trigger Modes
- Advanced Pulse Width Violation Trigger Commands
- Advanced Setup Violation Trigger Commands
- :TRIGger:ADVanced:VIOLation:SETup:MODE
- :TRIGger:ADVanced:VIOLation:SETup:SETup:CSOurce
- :TRIGger:ADVanced:VIOLation:SETup:SETup:CSOurce:LEVel
- :TRIGger:ADVanced:VIOLation:SETup:SETup:CSOurce:EDGE
- :TRIGger:ADVanced:VIOLation:SETup:SETup:DSOurce
- :TRIGger:ADVanced:VIOLation:SETup:SETup:DSOurce:HTHReshold
- :TRIGger:ADVanced:VIOLation:SETup:SETup:DSOurce:LTHReshold
- :TRIGger:ADVanced:VIOLation:SETup:SETup:TIME
- :TRIGger:ADVanced:VIOLation:SETup:HOLD:CSOurce
- :TRIGger:ADVanced:VIOLation:SETup:HOLD:CSOurce:LEVel
- :TRIGger:ADVanced:VIOLation:SETup:HOLD:CSOurce:EDGE
- :TRIGger:ADVanced:VIOLation:SETup:HOLD:DSOurce
- :TRIGger:ADVanced:VIOLation:SETup:HOLD:DSOurce:HTHReshold
- :TRIGger:ADVanced:VIOLation:SETup:HOLD:DSOurce:LTHReshold
- :TRIGger:ADVanced:VIOLation:SETup:HOLD:TIME
- :TRIGger:ADVanced:VIOLation:SETup:SHOLd:CSOurce
- :TRIGger:ADVanced:VIOLation:SETup:SHOLd:CSOurce:LEVel
- :TRIGger:ADVanced:VIOLation:SETup:SHOLd:CSOurce:EDGE
- :TRIGger:ADVanced:VIOLation:SETup:SHOLd:DSOurce
- :TRIGger:ADVanced:VIOLation:SETup:SHOLd:DSOurce:HTHReshold
- :TRIGger:ADVanced:VIOLation:SETup:SHOLd:DSOurce:LTHReshold
- :TRIGger:ADVanced:VIOLation:SETup:SHOLd:SetupTIMe (STIMe)
- :TRIGger:ADVanced:VIOLation:SETup:SHOLd:HoldTIMe (HTIMe)
- Advanced Transition Violation Trigger Commands
- Waveform Commands
- :WAVeform:BANDpass?
- :WAVeform:BYTeorder
- :WAVeform:COMPlete?
- :WAVeform:COUNt?
- :WAVeform:COUPling?
- :WAVeform:DATA?
- :WAVeform:FORMat
- :WAVeform:POINts?
- :WAVeform:PREamble?
- :WAVeform:SEGMented:ALL
- :WAVeform:SEGMented:COUNt?
- :WAVeform:SEGMented:TTAG?
- :WAVeform:SEGMented:XLISt?
- :WAVeform:SOURce
- :WAVeform:STReaming
- :WAVeform:TYPE?
- :WAVeform:VIEW
- :WAVeform:XDISplay?
- :WAVeform:XINCrement?
- :WAVeform:XORigin?
- :WAVeform:XRANge?
- :WAVeform:XREFerence?
- :WAVeform:XUNits?
- :WAVeform:YDISplay?
- :WAVeform:YINCrement?
- :WAVeform:YORigin?
- :WAVeform:YRANge?
- :WAVeform:YREFerence?
- :WAVeform:YUNits?
- Waveform Memory Commands
- Obsolete and Discontinued Commands
- Error Messages
- Sample Programs
- Reference
- Index

Waveform Commands 34
Agilent Infiniium 9000 Series Oscilloscopes Programmer's Reference 1109
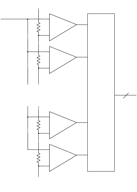
comparator output is a 1 otherwise the output is a 0. Each of the
comparators has a different reference dc voltage. The output of the
comparators is converted into an 8- bit integer by the encoder.
All ADCs have non- linearity errors which, if not corrected, can give less
accurate vertical measurement results. For example, the non- linearity error
for a 3- bit ADC is shown in the following figure.
Figure 7 Block Diagram of an ADC
_
+
_
+
..
..
..
_
+
_
+
Encoder
Channel Input
Vref
8 bits
-Vref










