User Guide
Manuals
Brands
Akai Manuals
Other
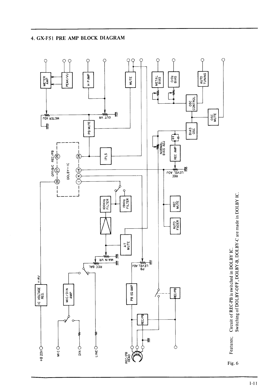
GX-F51
10
11
12
13
14
15
16
17
18
19
1
...
...
14
15
16
17
18
...
19