User Guide

Allen & Heath 24 WZ
4
16:2 and 12:2 User Guide
STEREO 3-4
INSERT
INSERT
UNBALANCED -2dBu
STEREO RETURN 2
STEREO RETURN 1
R
L/M
ST2 IN
ST1 IN (EXT EFFECTS IN)
TO MONITOR
LR
+
BALANCED 0dBu
R
L/M
-
+
-
+
SUM
AUX1
AUX2
MUTE
TO MONITOR
LR
R MIX
FROM AUX6
L MIX
PRE-FADE
POST-FADE
ST1 (EFFECTS)
ST2
ALL UP= L-R
M
AUX4
AUX5
AUX6
STEREO 5-6
MONO SUM
AUX6
+
SUM
M FADER
L FADER
-2dBu
-2dBu
R FADER
+4dBu
M OUT
2 = +
BAL
+4dBu
LEFT OUT
RIGHT OUT
2 = +
2 = +
L-R
BAL
BAL
+4dBu
L-R
MONITOR
LEV
A-B
-2dBu IMPEDANCE BALANCED
A-B
AUX SENDS 1-6
IMPEDANCE BALANCED
DIRECT OUT
WZ4 16:2
TIP= +
RING= -
0dBu
POST-EQ
PRE-INSERT
POST-FADE
PRE-FADE
PR
1AUX 2
SW
HF
LM
4 BAND EQUALISER
HM
LF
PHANTOM POWER
PFL
FADER
MUTE
PO
3
PR
SW
4
5
PO
SW
PRE
6
SW
AUX1
AUX2
STEREO 1-2
MONITOR SELECT
AUX3
PFL MIX
PFL DC
AUX 1-6
PAN
AUX1-6 TO MONITOR
AUX MIX
MASTER
PFL
LEFT
RIGHT
MONITOR METERS
MONITOR
PFL
ACTIVE
LEV
HEADPHONES
L
R
+4dBu BAL OPTION
IMPEDANCE BALANCED
-2dBu
TIP= +
AUX OUT
AUX 6
AUX 5
EFFECT
OFF, 1-20
EFFECT
+
FOOTSWITCH
AUX5,6 TO FX, AUX6 TO C
EFFECTS
FROM AUX5,6
AUX3
AUX4
INSERT
0dBu
LINE
BALANCED TIP= +
MIC
2= +
RING= RETURN
TIP= SEND
+
-
GAIN
-20dB
LINE (PAD)
HPF
48V
MIC/LINE INPUTS
ST2 TO LR
SIG
PK
R
L
M
A OUT
TIP= +
TIP= +
B OUT
JP1
M S
SUM
+
MONO/STEREO AUX SOURCE
JS8
JS7
JS6
JS5
JS4
JS3
JS1
JS2
PR = PRE-FADE
SW = SWITCHED
PO = POST-FADE
OFF, 1-20
EQ IN
AUX JUMPER
DIR JUMPER
PCB
SOLDER
OPTIONS
WZ
4
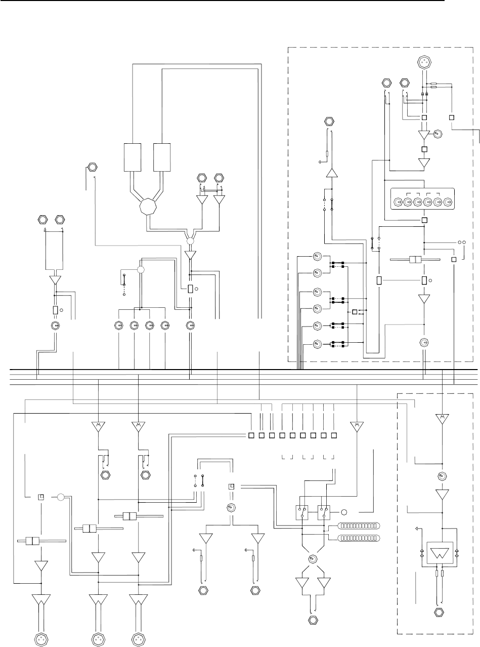
16:2 Block Diagram