User Guide

Allen & Heath 25 WZ
4
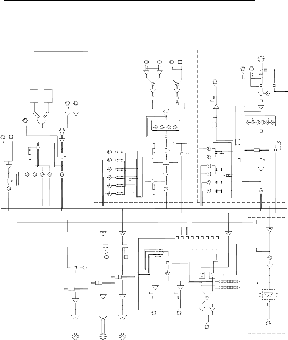
16:2 and 12:2 User Guide
PK
SIG
ST2 TO LR
MIC/LINE INPUTS
48V
HPF
LINE (PAD)
-20dB
GAIN
-
+
TIP= SEND
RING= RETURN
2= +
MIC
TIP= +
BALANCED
LINE
0dBu
INSERT
+
AUX4
AUX3
FROM AUX5,6
AUX5,6 TO FX, AUX6 TO C
FOOTSWITCH
RIGHT
LEFT
PFL
AUX MIX
PAN
AUX 1-6
MUTE
FADER
PFL
PHANTOM POWER
PRE-FADE
POST-FADE
PRE-INSERT
POST-EQ
0dBu
RING= -
TIP= +
WZ4 12:2
DIRECT OUT
IMPEDANCE BALANCED
LR
TO MONITOR
MUTE
SUM
AUX2
AUX1
SUM
+
-
+
-
L/M
R
BALANCED 0dBu
+
LR
TO MONITOR
ST5 IN (EXT EFFECTS IN)
ST6 IN
L/M
R
STEREO RETURN
UNBALANCED -2dBu
SIG
PK
INPUT ST1(3)
L/M
R
++
PRE
MONO/STEREO AUX
6
PO
4
5
SW
3
PR
SW
2
SW
AUX
PR
1
PAN
MUTE
PFL
+
SUM
+
ON
GAIN
ON
GAIN
LR
CH
FADER
+
-
L/M
INPUT ST2(4)
+
-
R
DUAL STEREO INPUTS
L
R
AUX OUT
TIP= +
-2dBu
IMPEDANCE BALANCED
+4dBu BAL OPTION
R
L
HEADPHONES
LEV
ACTIVE
PFL
MONITOR
MONITOR METERS
MASTER
AUX1-6 TO MONITOR
PFL DC
PFL MIX
AUX3
MONITOR SELECT
STEREO 1-2
AUX2
AUX1
AUX SENDS 1-6
A-B
LEV
MONITOR
L-R
+4dBu
BAL
BAL
L-R
2 = +
2 = +
RIGHT OUT
LEFT OUT
+4dBu
BAL
2 = +
M OUT
+4dBu
R FADER
-2dBu
-2dBu
L FADER
M FADER
SUM
+
AUX6
MONO SUM
STEREO 5-6
AUX6
AUX5
AUX4
M
ALL UP= L-R
ST6
ST5 (EFFECTS)
POST-FADE
L MIX
FROM AUX6
R MIX
INSERT
INSERT
STEREO 3-4
STEREO RETURN
M
B OUT
TIP= +
TIP= +
A OUT
A-B
-2dBu IMPEDANCE BALANCED
CN4
B A D C F E H G J I L KJUMPER OPTIONS
M S M S
CN5
PRE-FADE POST-FADE
R
PRE
L R L
SM
MONO/STEREO AUX SOURCE
JP1
AUX 6
AUX 5
EFFECT
OFF, 1-20
EFFECT
+
EFFECTS
OFF, 1-20
HF
LM
4 BAND EQUALISER
HM
LF
EQ IN
4 BAND EQUALISER
HM
LF
LM
HF
EQ IN
PR
1AUX 2
SW
PO
3
PR
SW
4
5
PO SW
PRE
6
SW
JS8
JS7
JS6
JS5
JS4
JS3
JS1
JS2
PR = PRE-FADE
SW = SWITCHED
PO = POST-FADE
PR = PRE-FADE
SW = SWITCHED
PO = POST-FADE
SW
PR
SW
PR PO
SW
AUX JUMPER
DIR JUMPER
PCB
SOLDER
OPTIONS
WZ
4
12:2 Block Diagram