SERVICE MANUAL User Manual

10 ML4000 Service Manual
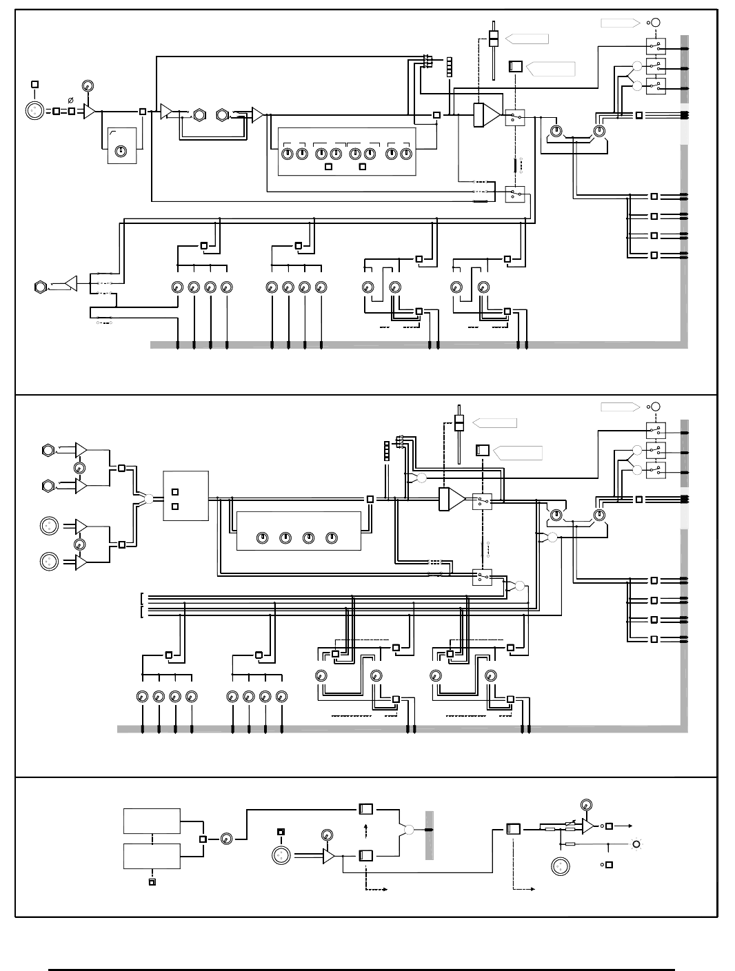
System Block Diagram
+
-
INPUT
GAIN
+48V
PAD
SEND
LF LM HF
EQ IN
4 BAND EQUALISER
METER
+
-
RETURN
INSERT
POST-EQ
PRE-EQ
PAN
BLEND
MIX
L RLRC
PRE-INSERT
PEAK
LCR+
POST-TRIM
PRE-FADE
POST-FADE
DIRECT OUT
(AUX1 ONLY)
POST-MUTE
PRE-FADE AUX
OPTION LINKS
OPTION LINKS
DIRECT OUT
AUX 1
AUX1
PRE
MONO CHANNEL
MUTE
FADER
PAFL
MUTE GROUPS
VCA GROUPS
PAFL LOGIC
VCA
J5
J4
J6
J9
J7
J8
J3
J2
J1
SNAPSHOTS
+
-
TRIM
+48V
TB MIC
TALK TO TB
+
OSC/NOISE TO TB
DIM
MONITOR DIM
TB
PINK NOISE
1kHz OSC
TRIM
Disable
OSC/NOISE/TALKBACK
TALK TO INTERCOM
MONITOR DIM
-
+
TRIM
SIDETONE
LISTEN
TO PHONES
INTERCOM
CALL
+
-
INPUT B
GAIN
LF
EQ IN
4 BAND EQUALISER
METER
POST-EQ
PRE-EQ
BAL BLEND
MAIN
MIX
L RLRC
+
+
L
R
C
PEAK
LCR+
PRE-FADE
POST-FADE
PRE
POST-MUTE
PRE-FADE AUX
OPTION LINKS
PRE
PRE
AUX11
STEREO CHANNEL
MUTE
FADER
PAFL
MUTE GROUPS
VCA GROUPS
PAFL LOGIC
VCA
J3
R=J2
SNAPSHOTS
L AFL
PFL
R AFL
L MIX
R MIX
C MIX
AUX12
AUX11
+
-
+
-
GAIN
+
-
L
R
R
L
INPUT A
+
ON
ON
MONO L
MONO R
SOURCE
LM HM HF
+
+
L=J1
+
L
R
M
L
R
M
AUX12
11-12 LEV
STEREO
PAN
PRE
AUX11
AUX12
AUX11
AUX12
LEV 11-12
STEREO
PAN
J10
LAMP
INTERCOM IN/OUT
PFL
L MIX
R MIX
C MIX
HM
HPF IN
FREQ
FILTER
+
+
L
R
C
L AFL
R AFL
GROUP
ASSIGN
GRP 1
GRP 2
GRP 3
GRP 4
GRP 5
GRP 6
GRP 7
GRP 8
PRE
AUX9
AUX10
AUX9
AUX10
LEV 9-10
STEREO
PAN
AUX 2
AUX2
AUX 3
AUX3
AUX 4
AUX4
AUX 5
AUX5
PRE
AUX 6
AUX6
AUX 7
AUX7
AUX 8
AUX8
1-2
3-4
5-6
7-8
GROUP
ASSIGN
GRP 1
GRP 2
GRP 3
GRP 4
GRP 5
GRP 6
GRP 7
GRP 8
1-2
3-4
5-6
7-8
AUX 5
AUX5
AUX 6
AUX6
AUX 7
AUX7
AUX 8
AUX8 AUX5 AUX6 AUX7 AUX8
AUX 5
AUX 6
AUX 7
AUX 8
PRE
AUX9
AUX10
AUX9
AUX10
9-10 LEV
STEREO
PAN










