SERVICE MANUAL User Manual

ML4000 Service Manual 11
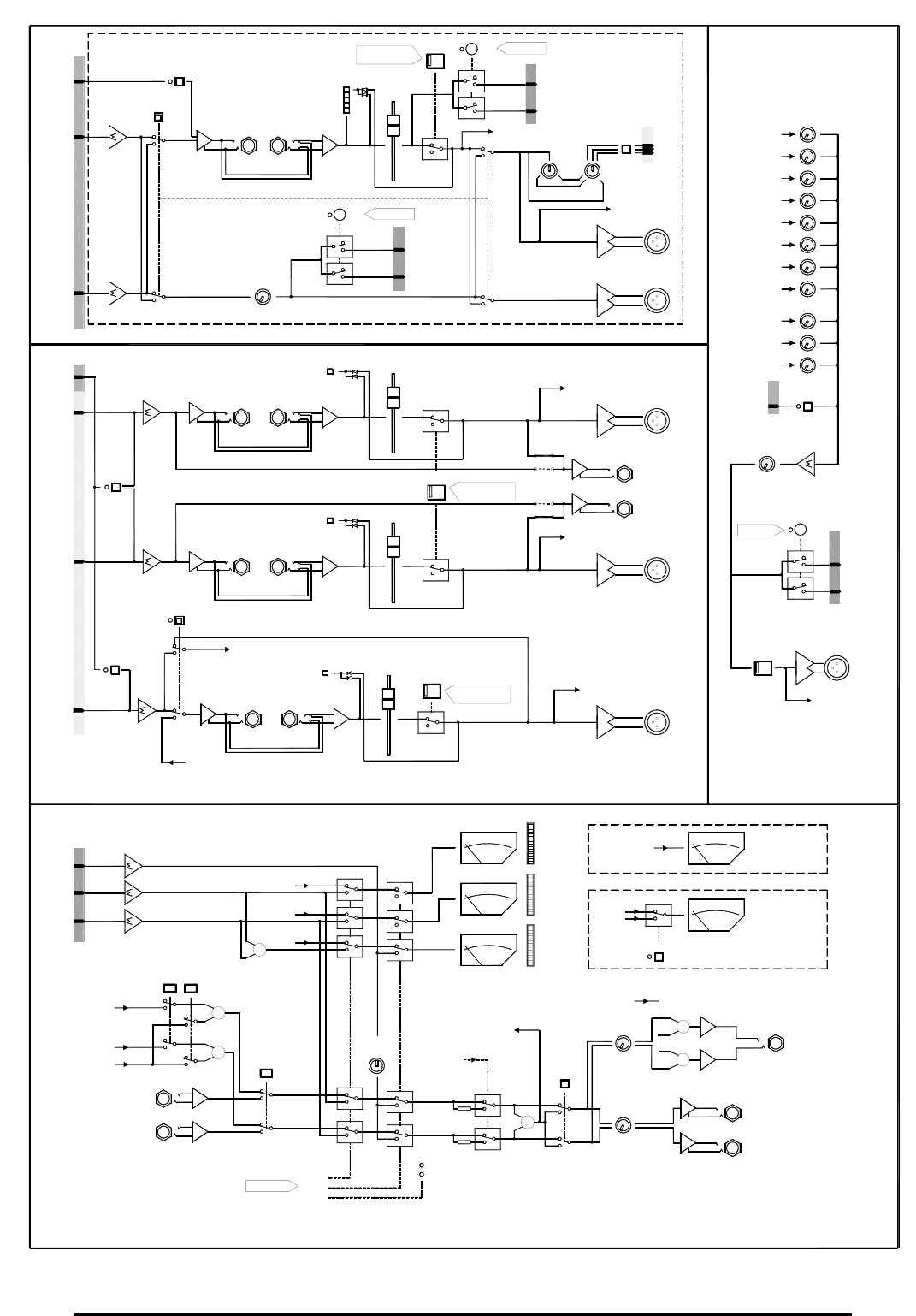
MIX
SEND
+
-
RETURN
INSERT
MUTE
FADER
MUTE GROUPS
MODE
METER
PEAK
AFL
AFL LOGIC
PAN
BLEND
MAIN
MIX
L RLR C
LCR+
TB ENABLE
BAL
GRP OUT
(1-8 ONLY)
AFL
L MIX
SEND
+
-
RETURN
INSERT
FADER
PEAK
TB
BAL
OUT
LEFT
Press MODE to reverse GRP and AUX master control sections
R MIX
SEND
+
-
RETURN
INSERT
MUTE
FADER
PEAK
BAL
OUT
RIGHT
PRE-INSERT
POST-FADE
L
PRE-INSERT
POST-FADE
C MIX
SEND
+
-
RETURN
INSERT
MUTE
FADER
PEAK
TB
BAL
OUT
CENTRE
LEFT
RIGHT
CENTRE
L
C METER
C
R
GRP TO MTX
GRP 1-8
AUX 1-8
L AFL
R AFL
L MIX
R MIX
C MIX
MASTER
SNAPSHOTS
MUTE GROUPS
SNAPSHOTS
MUTE GROUPS
SNAPSHOTS
TB
GRP
L AFL
R AFL
TB
L MIX
R MIX
C MIX
GRP 1
GRP 2
GRP 8
L
R
GRP 3
GRP 4
C
GRP 5
GRP 6
GRP 7
TB ENABLE
TB
LEVEL
MUTE
BAL
OUT
AFL
AFL LOGIC
L AFL
R AFL
MATRIX
MATRIX
L AFL
PFL
R AFL
WEDGE mode
+
-
L
+
-
2TRK
IN
R
OUT
2TRK
R
+
+
C
LR
2TRK
L
R
C
+
MONO
L
MONITOR
LOCAL
R
LOCAL
HEADPHONES
L
R
PHONES
WEDGE MON
WEDGE MON
PAFL LOGIC
TB DIM
PFL MIX
L AFL MIX
R AFL MIX
TRIM
L
R
C
+
PFL
INPUT PAFL
AFL
PFL
L METERS
R METERS
C METERS
METERS 1-8
METERS 9-12
METER SELECT
GRP
AUX
MATRIX
OUTPUT AFL
MONITOR
+
+
FROM INTERCOM
MONITOR SOURCE
BAL
AUX OUT
AFL LOGIC
TO VU METER
MIX
AUX
(1-8 ONLY)
AUX 9-12










