SERVICE MANUAL User Manual
Manuals
Brands
Allen&Heath Manuals
Control panel
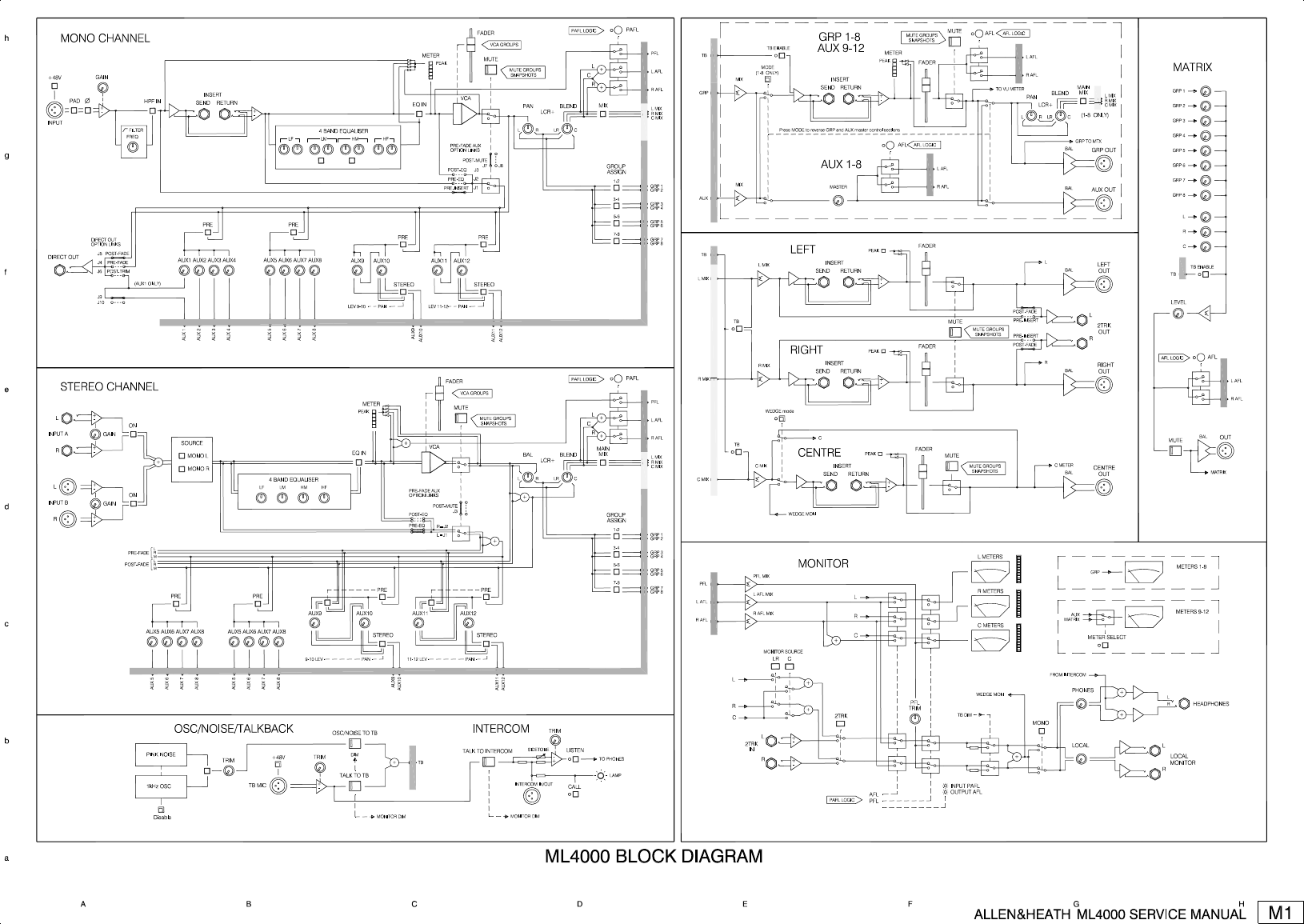
ML4000
21
22
23
24
25
26
27
28
29
30
1
...
...
26
27
28
29
30
...
...
91