SERVICE MANUAL User Manual
Manuals
Brands
Allen&Heath Manuals
Control panel
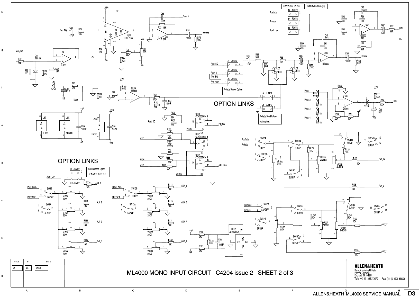
ML4000
31
32
33
34
35
36
37
38
39
40
1
...
...
31
32
33
34
35
...
...
91