SERVICE MANUAL User Manual
Manuals
Brands
Allen&Heath Manuals
Control panel
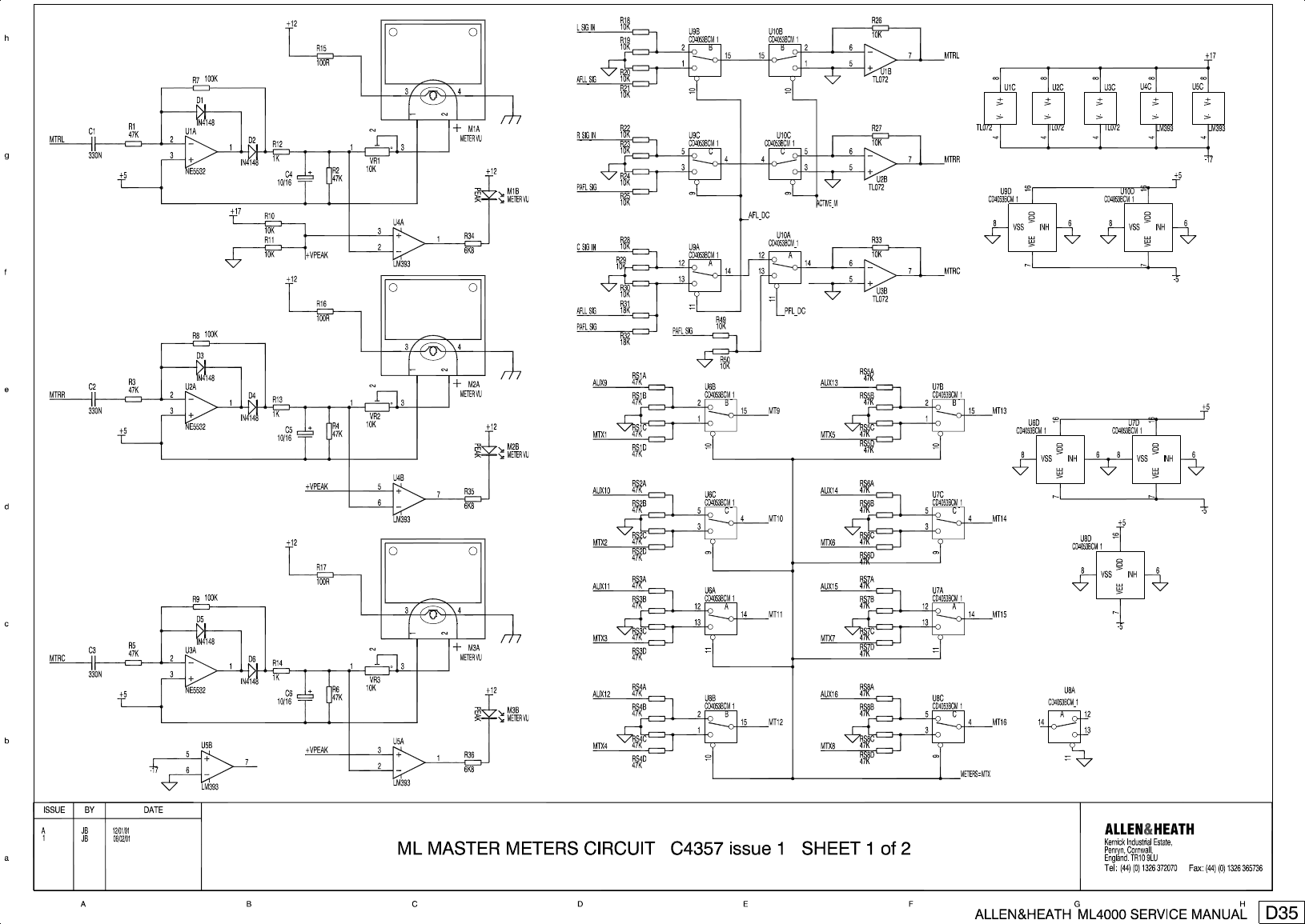
ML4000
61
62
63
64
65
66
67
68
69
70
1
...
...
63
64
65
66
67
...
...
91