User guide

10 ML5000 User Guide
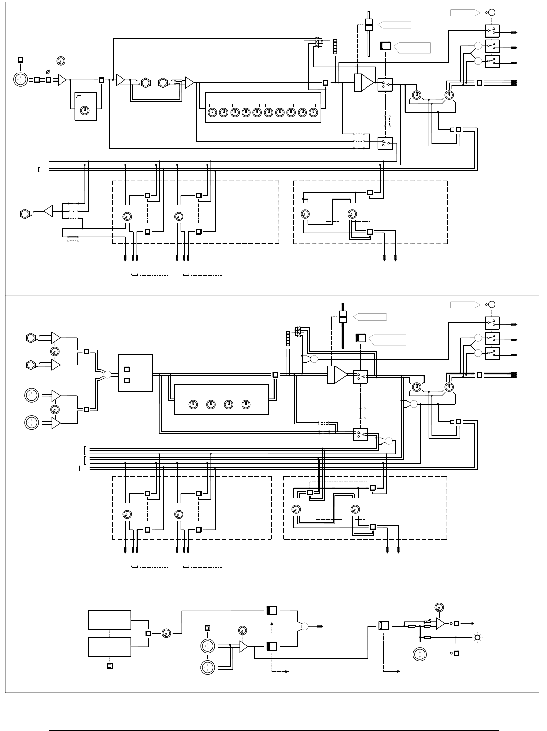
SYSTEM BLOCK DIAGRAM
+
-
INPUT
GAIN
+48V
PAD
HPF IN
SEND
LF LM HM HF
EQ IN
FREQ
4 BAND EQUALISER
FILTER
METER
+
-
RETURN
INSERT
POST-EQ
PRE-EQ
PAN BLEND
MAIN
MIX
L RLRC
PRE-INSERT
+
+
L
R
C
PEAK
LCR+
PRE-FADE
POST-FADE
ODD
EVEN
PRE
GRP PAN ON
AUX1
GRP1
POST-TRIM
PRE-FADE
POST-FADE
DIRECT OUT
(AUX1 ONLY)
POST AUX1
AUX1
GRP1
POST-MUTE
PRE-FADE AUX
OPTION LINKS
MONO
STEREO
OPTION LINKS
DIRECT OUT
PFL
L AFL
R AFL
L MIX
R MIX
C MIX
GRP2
AUX 2
POST AUX2
GRP2
AUX2
PRE
SET MASTER mode SWITCH
FOR EITHER AUX OR GROUP
MONO CHANNEL
MUTE
FADER
PAFL
MUTE GROUPS
VCA GROUPS
PAFL LOGIC
GRP
GRP/AUX 3 TO 8
SAME AS 1,2 SHOWN
VCA
J5
J4
J6
J9
J7
J8
J3
J2
J1
SNAPSHOTS
+
-
1
TRIM
+48V
TB MIC
2
TALK TO TB
+
OSC/NOISE TO TB
DIM
MONITOR DIM
TB
PINK NOISE
1kHz OSC
TRIM
Disable
OSC/NOISE/TALKBACK
TALK TO INTERCOM
MONITOR DIM
-
+
TRIM
SIDETONE
LISTEN
TO PHONES
INTERCOM
CALL
+
-
INPUT B
GAIN
LF
EQ IN
4 BAND EQUALISER
METER
POST-EQ
PRE-EQ
BAL BLEND
MAIN
MIX
L RLRC
+
+
L
R
C
PEAK
LCR+
PRE-FADE
POST-FADE
PRE
GRP BAL ON
AUX1
GRP1
POST AUX1
POST-MUTE
PRE-FADE AUX
OPTION LINKS
MONO
STEREO
GRP2
POST AUX2
AUX2
PRE
SET MASTER mode SWITCH
FOR EITHER AUX OR GROUP
PRE
AUX9
STEREO CHANNEL
MUTE
FADER
PAFL
MUTE GROUPS
VCA GROUPS
PAFL LOGIC
GRP
GRP/AUX 3 TO 8
SAME AS 1,2 SHOWN
VCA
J3
R=J2
SNAPSHOTS
L AFL
PFL
R AFL
L MIX
R MIX
C MIX
AUX10
AUX1
GRP1
AUX 2
GRP2
AUX9
+
-
+
-
GAIN
+
-
L
R
R
L
INPUT A
+
ON
ON
MONO L
MONO R
SOURCE
LM HM HF
+
+
L=J1
+
L
R
M
L
R
M
ODD
EVEN
AUX10
9-10 LEV
STEREO
PAN
PRE
AUX9
AUX10
AUX9
AUX10
LEV 9-10
STEREO
PAN
AUX 11 to 16
SAME AS 9,10 SHOWN
AUX 11 to 16
SAME AS 9,10 SHOWN
J10
LAMP
INTERCOM IN/OUT










