User guide

ML5000 User Guide 11
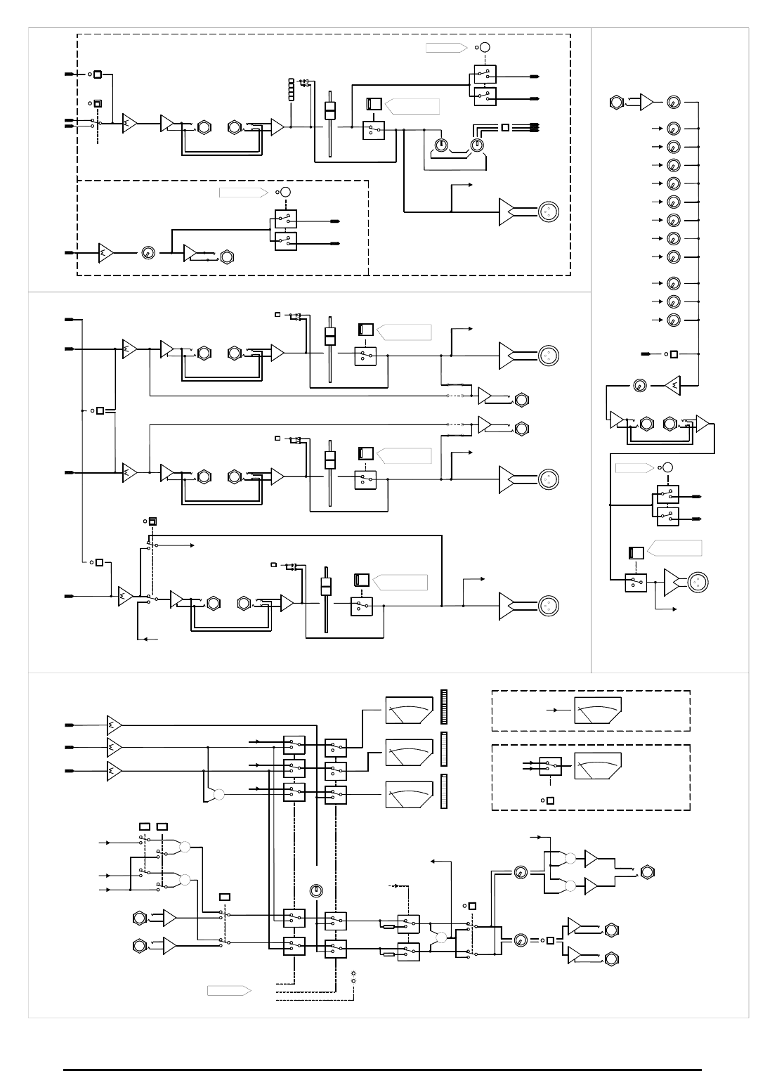
MIX
SEND
+
-
RETURN
INSERT
MUTE
FADER
MUTE GROUPS
mode
METER
PEAK
L AFL
R AFL
AFL
AFL LOGIC
PAN
BLEND
MAIN
MIX
L RLR C
LCR+
L MIX
R MIX
C MIX
TB ENABLE
BAL
OUT
GRP/AUX
TB
GRP
AUX
MIX
POST AUX
POST AUX OUT
(1-8 ONLY)
L AFL
R AFL
AFL
AFL LOGIC
L MIX
SEND
+
-
RETURN
INSERT
MUTE
FADER
PEAK
TB
BAL
OUT
LEFT
TB
AUX = VARIABLE LEVEL+PRE/POST SWITCH
GROUP = SWITCHED ROUTING
SET mode FOR EITHER:
L MIX
R MIX
SEND
+
-
RETURN
INSERT
MUTE
FADER
PEAK
BAL
OUT
RIGHT
R MIX
PRE-INSERT
POST-FADE
L
PRE-INSERT
POST-FADE
C MIX
SEND
+
-
RETURN
INSERT
MUTE
FADER
PEAK
TB
BAL
OUT
CENTRE
C MIX
LEFT
RIGHT
CENTRE
L
C METER
C
R
GRP/AUX
GRP/AUX 1-16
POST AUX 1-8
MASTER
SNAPSHOTS
MUTE GROUPS
SNAPSHOTS
MUTE GROUPS
SNAPSHOTS
MUTE GROUPS
SNAPSHOTS
+
-
EXT IN
GRP/AUX1
GRP/AUX 2
GRP/AUX 3
GRP/AUX 4
GRP/AUX 5
GRP/AUX 6
GRP/AUX 7
GRP/AUX 8
L
R
C
SEND
+
-
RETURN
INSERT
TB ENABLE
TB
LEVEL
MUTE
BAL
OUT
MUTE GROUPS
SNAPSHOTS
AFL
AFL LOGIC
L AFL
R AFL
MATRIX
MATRIX
L AFL
PFL
R AFL
WEDGE mode
+
-
L
+
-
2TRK
IN
R
OUT
2TRK
R
+
+
C
LR
2TRK
L
R
C
+
MONO
L
MONITOR
LOCAL
R
LOCAL
MUTE
HEADPHONES
L
R
PHONES
WEDGE MON
WEDGE MON
PAFL LOGIC
TB DIM
PFL MIX
L AFL MIX
R AFL MIX
TRIM
L
R
C
+
PFL
INPUT PAFL
AFL
PFL
L METERS
R METERS
C METERS
METERS 1-8
METERS 9-16
METER SELECT
GRP/AUX
GRP/AUX
MATRIX
OUTPUT AFL
MONITOR
+
+
FROM INTERCOM
MONITOR SOURCE
J3
J4
J2
J1










