User guide

PA-CP User Guide 29
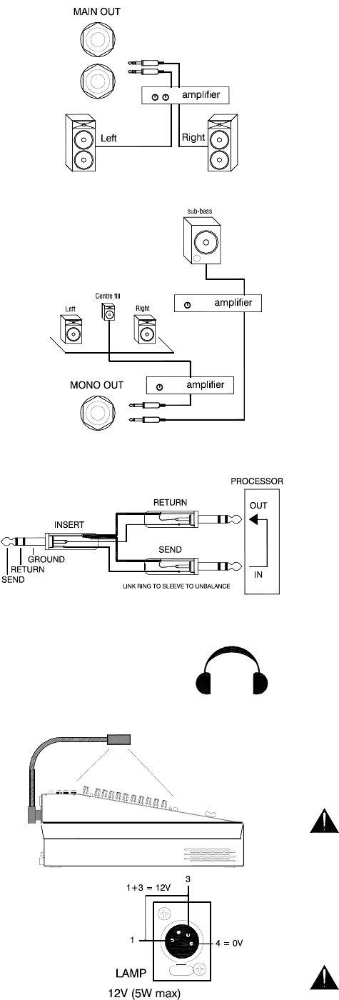
LR MAIN OUT Use these line outputs to drive the main
house amplifiers if you are using the console AB amplifiers for
the foldback monitors. If the AB amps are powering the house
speakers you could also use the LR outputs to feed booster
amplifiers for additional speakers in the system.
MONO OUT The main L and R outputs are summed
together to produce a mono line level output. Typical
applications include feeding an external amplifier for a mono
PA, a fill or zone speaker, or driving a sub bass
amplifier/speaker system (sub filter switched in). Its level is
affected by the LR fader which is used as the main PA level
control.
☺ Working with powered speakers A powered speaker is
a loudspeaker with a power amplifier built into its cabinet.
These can be convenient to use with small portable systems as
they save space. Simply feed the console TRS outputs to the
powered speaker line inputs. You could, for example, use the
console AB amplifiers to drive conventional house PA
speakers, the FB1 and FB2 outputs to drive a couple of small
powered foldback speakers, and MONO to drive a powered
sub bass. To avoid problems such as ground loops make sure
the mains power supply feeding the speakers is on the same
circuit as that feeding the console.
LR INSERTS One TRS jack socket for each side of the
main LR mix lets you patch in external processing equipment
such as a stereo limiter, equaliser or delay unit. Plugging in
interrupts the signal path after the mix stage and before the LR
fader. With nothing plugged in, the signal is routed through the
switching contact within the socket. The connection is
unbalanced with both the insert send and return signals
presented on the same jack. Connect the equipment input
from the send (TRS jack tip), and its output to the return (jack
ring). Wire both cable shields to the jack sleeve. The insert
operates at 0dBu line level. Ensure that the external equipment
is set to operate at similar level and unity gain. The diagram
below shows a typical insert cable with plug links to unbalance
the external equipment connections if they are balanced.
HEADPHONES The console monitoring system has a
built-in stereo headphone amplifier which feeds a TRS output.
It is wired conventionally with tip = left, ring = right. Plug in a
standard pair of stereo headphones.
☺ Choosing headphones For best performance, clarity
and reliability we recommend you use a high quality, closed
ear design with impedance in the range 30 to 600 ohms.
Lower impedance headphones such as the popular 100 ohms
types usually produce a louder output. Avoid using the
cheaper types that come with portable music players and
consumer equipment.
To prevent damage to your hearing, avoid continued
high listening levels in the headphones.
Console LAMP A 4-pin XLR connector is provided on
the rear panel for plugging in a gooseneck lamp to illuminate
the control surface when working in a dark environment. Use a
lamp with 12V bulb up to 5W power designed for this purpose.
To prevent damage to the console power unit do not
attempt to modify the lamp connection or add more lamps.
L R










