Operation Manual

29 WZ16:2DX AND WZ12:2DX USER GUIDE
L
L FADER
MONO
AUX SENDS 1-6
R MIX
INSERT
-2dBu
12:2
TIP= +
TIP= +
-10dBV
MixWizar
d
+
-
+ 4dBu OPTION
+
-
L-R
AUX2
TO MONITOR
AUX1
L MIX
INSERT
POST
PRE
-2dBu
L-R
MONITOR
A-B
LEV
PFL MIX
MONITOR SELECT
EFFECT
AUX2
AUX3
AUX4
AUX5
AUX6
ST1 (EFFECTS)
ST2
STEREO 3-4
STEREO 5-6
ALL UP= L-R
AUX1
STEREO 1-2
PFL
ACTIVE
AUX MIX
MASTER
TO M ONITOR
R
I
G
H
T
L
E
F
T
A
U
X
1
-
6
P
F
L
RIGHT OUT
R FADER
BAL
2 = +
+4dBu
TIP= +
TIP= +
B OUT
LEFT OUT
-2dBu
BAL
2 = +
L-R
+ 4dBu BAL OPTION
A-B
+4dBu
HEADPHONES
A OUT
L
R
LEV
MO NITO R METERS
MONITOR
R
TIP= +
AUX OUT
+ 4dBu BAL OPTION
R
L/MONO
BALANCED
TIP= +
BALANCED
0dBu
DIRECT OUT
RING= -
0dBu
TIP= +
INSERT
RING= RETURN
TIP= SEND
PRE-FADE
LF
MF2
MIC/LINE INPUTS
INPUT
DISABLE
2= +
PAD
-30dBu
+
-
GAIN
FILTER
-
LO-CUT
MF1
HF
4 BAND EQUALISER
POST-ON
PRE-ONPRE-EQ
POST-EQ
FADER
PFL
ON
PEAK
PAN
POST-FADE
AUX 1 2
PRE
34
POST
56
PHANTOM + 48V ON
RIAA OPTION
DUAL STEREO INPUTS
R
R
L/MONO
INPUT A
L/MONO
INPUT B
4 BAND EQUALISER
ON
ON
GAIN
GAIN
LF
MF1
HF
MF2
MONO
PRE-ON
PRE-EQ
PRE-EQ
POST-EQ
POST-EQ
PEAK
POST-ON
POST-ON
PRE-ON
MONO
PFL
PAN
MONO
FADER
ON
5
AUX 1 2
POST
3
PRE
4
6
(WZ12:2 ONLY)
-
-
ON
BALANCED
+ 4dBu OPTION
TIP= +
-10dBV
TIP= +
-
+
-
+
-
-
TO M ONITOR
L-R
AUX1
+
+
FROM EFFECTS
STEREO RETURN 1 (EFFECTS)
STEREO RETURN 2
1-16
EFFECT
1-8
9-16
EFFECT
+
AUX 5
AUX 6
MODE
SINGLE
DUAL
TO STEREO RETURN 1
R
L
EFFECTS
PFL DC
IMPEDANCE BALANCED
ST1 INPUT
L/MONO
R
ST2 INPUT
MONO
IMPEDANCE BALANCED
-2dBu
IMPEDANCE BALANCED
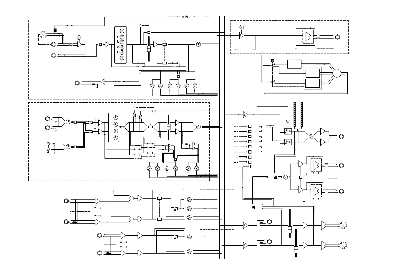
DX and 16:2DX
MONO
PRE POST
POST
PRE










