Dimensions Guide
Table Of Contents

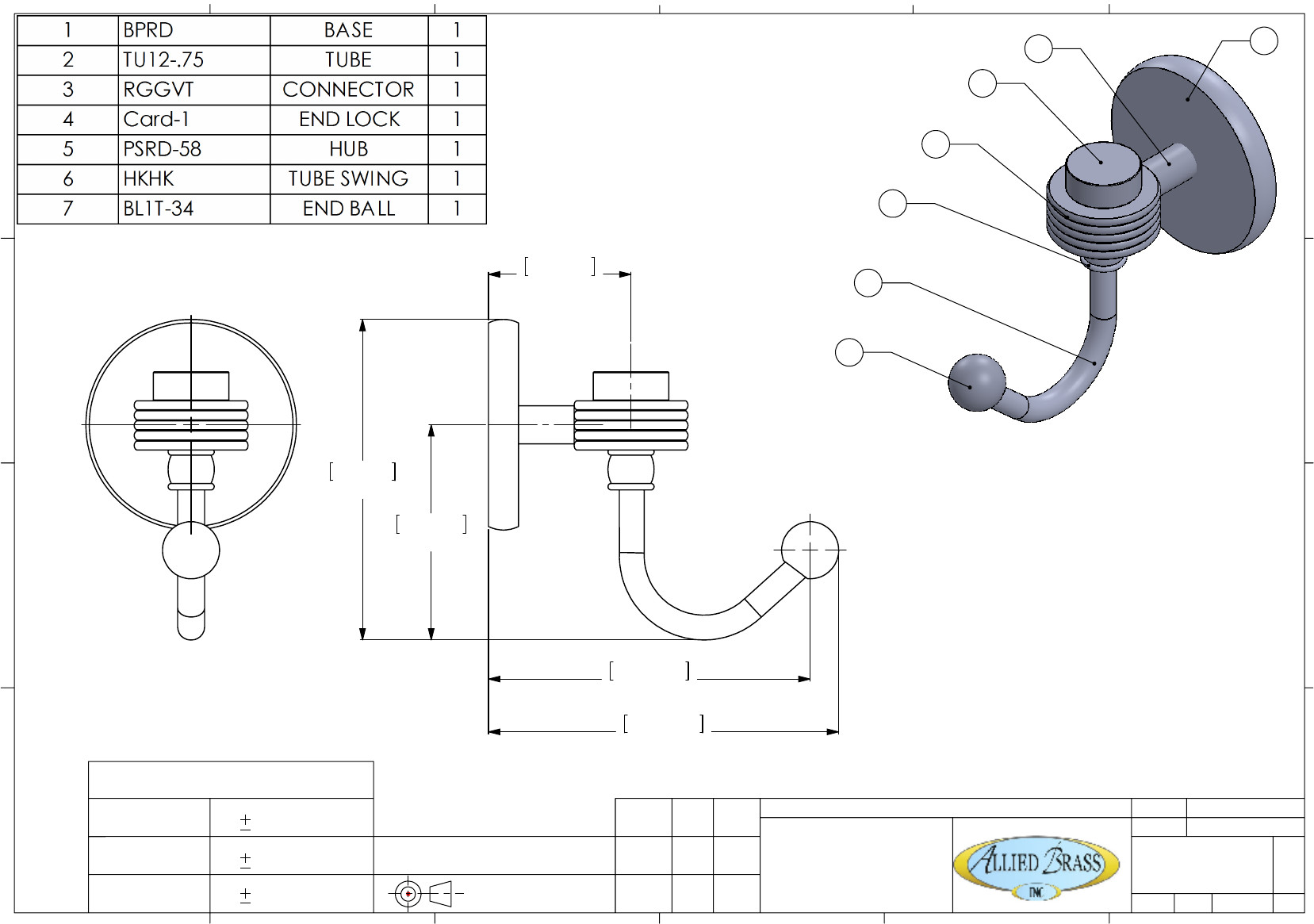
107.3mm
4.225in
47.5mm
1.871in
116.8mm
4.600in
107mm
4.211in
71.8mm
2.828in
1
2
4
5
6
7
3
Satellite Orbit One
Collection Robe Hook
6
54
3
D
THIRD ANGLE PROJECTION
APPROVED
0
QUANTITY
FINISH
MATERIAL:
SCALE
C
A4
SHEET: 01
DRAWING No.
DESCRIPTION:
REV
CHECKED
6
5
A
B
4
1
2
3
A
2
1
D
C
B
R.A
TBD
1:1.5
7120G
TBD
DRAWN
I.M
P.D
COPYRIGHT © Allied Brass 2017
7/1/2017
BRASS
.x
.3mm
.xx
.15mm
.xxx
.008mm
UNLESS OTHERWISE STATED
7/1/2017
7/1/2017