Operation Manual

24-NL
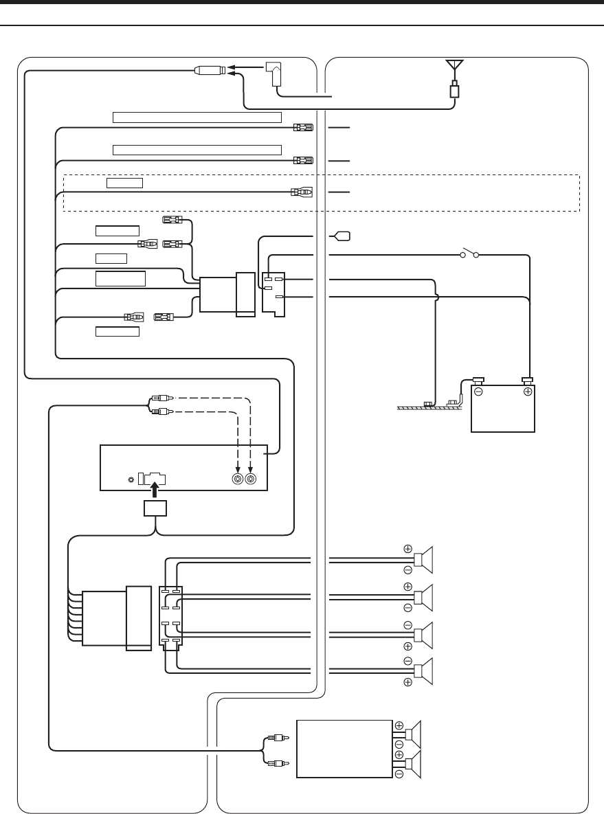
Aansluitingen
Vooraan of subwoofers
Naar equalizer of versterker
Contactsleutel
Naar autotelefoon
Versterker
Naar verlichtingsdraad instrumentengroep
Accu
Links voor
Rechts achter
Rechts voor
Links achter
Luidsprekers
(Roze/Zwart)
INGANGSDRAAD AUDIO-ONDERBREKING (MUTE)
(Blauw/Wit) INSCHAKELDRAAD VERSTERKER (REMOTE)
(Groen)
(Groen/Zwart)
(Wit)
(Wit/Zwart)
(Grijs/Zwart)
(Grijs)
(Violet/Zwart)
(Violet)
Antenne
ISO-antenneplug
(Geel)
ACCU
(Blauw)
ELEKTRISCHE
ANTENNE
(Zwart) MASSA
(Rood)
CONTACTSLOT
(Alleen CDE-9845RB)
(Oranje) DIMMER
Naar elektrische antenne
JASO-antenneplug
u
q
@4
w
y
t
e
i
o
!0
!6
!7
!8
!9
!5
!4
@2
@0
@1
!1
!2
!3
@3
r