Datasheet
59
Metal
Shaft
Rotary
Potentiometers
Slide
Potentiometers
Multi Control
Devices
Sensors
Insulated
Shaft
Hollow
Type
Knob
Operating
9mm Size Insulated Shaft Snap-in Type
RK09K/RK09D
Series
Compact type potentiometer with 9.8mm width is ideal for designing high density sets.
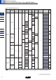
Typical Specifications
Items
Total
resistance
tolerance
Single-unit
±20%
±30%
50V AC
20V DC
50V AC for AC only
RK09K: 280±5°
RK09D: 300±5°
280±5°
1 to 8mN・m
5,000cycles
10,000cycles
−10℃ to +70℃
Dual-unit
Single-unit
Dual-unit
Single-unit
Dual-unit
Maximum
operating
voltage
Total
rotational
angle
Rotational torque
Operating life
Operating temperature range
Specifications
Closed structure improves dust and flux resistance.
●
Features
For various types of control in mini component stereos, portable
audio, speaker systems and various audio equipment
For controlling mixing consoles and electronic musical instruments
For controlling flat panel TVs, game consoles, copy machines and
refrigerators (temperature control)
●
●
●
Applications
Insulated Shaft Potentiometer
Single-unit
Dual-unit








