Datasheet

REV. D
Information furnished by Analog Devices is believed to be accurate and
reliable. However, no responsibility is assumed by Analog Devices for its
use, nor for any infringements of patents or other rights of third parties
which may result from its use. No license is granted by implication or
otherwise under any patent or patent rights of Analog Devices.
a
DAC10*
One Technology Way, P.O. Box 9106, Norwood, MA 02062-9106, U.S.A.
Tel: 781/329-4700 World Wide Web Site: http://www.analog.com
Fax: 781/326-8703 © Analog Devices, Inc., 1998
10-Bit High Speed Multiplying D/A Converter
(Universal Digital Logic Interface)
FEATURES
Fast Settling: 85 ns
Low Full-Scale Drift: 10 ppm/8C
Nonlinearity to 0.05% Max Over Temperature Range
Complementary Current Outputs: 0 mA to 4 mA␣
Wide Range Multiplying Capability: 1 MHz Bandwidth
Wide Power Supply Range: +5, –7.5 Min to 618 V Max
Direct Interface to TTL, CMOS, ECL, PMOS, NMOS
Availability in Die Form␣
GENERAL DESCRIPTION
The DAC10 series of 10-bit monolithic multiplying digital-to-
analog converters provide high speed performance and full-scale
accuracy.
Advanced circuit design achieves 85 ns settling times with very
low “glitch” energy and low power consumption. Direct inter-
face to all popular logic families with full noise immunity is
provided by the high swing, adjustable threshold logic inputs.
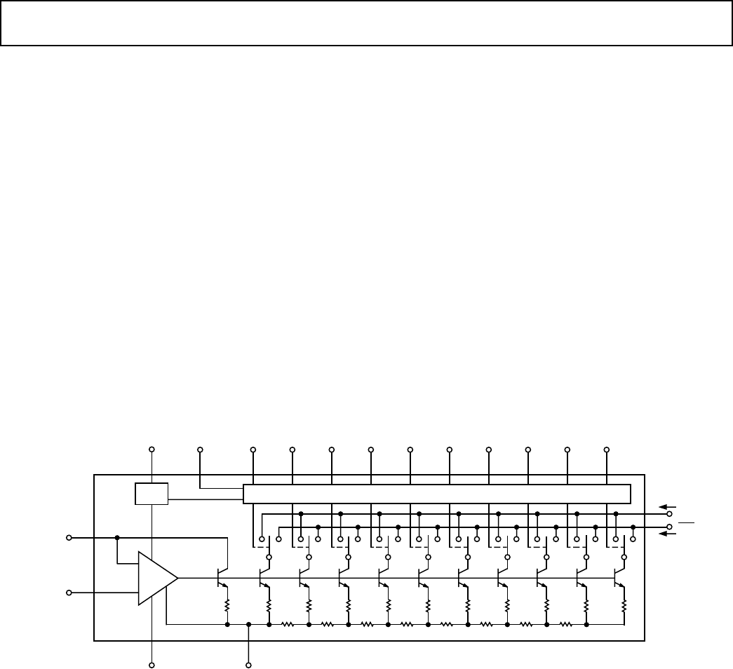
SIMPLIFIED SCHEMATIC
2
4
I
OUT
I
OUT
V+
V
LC
MSB
B
1
B
2
B
3
B
4
B
5
B
6
B
7
B
8
B
9
B
10
LSB
15 1 5 6 7 8 9 10 11 12 13 14
BIAS NETWORK
CURRENT SWITCHES
REFERENCE
AMPLIFIER
16
17
V
REF
(+)
V
REF
(–)
COMP V–
18 3
All DAC10 series models guarantee full 10-bit monotonicity,
and nonlinearities as tight as +0.05% over the entire operating
temperature range are available. Device performance is essen-
tially unchanged over the ±18 V power supply range, with
85 mW power consumption attainable at lower supplies.
A highly stable, unique trim method is used, which selectively
shorts Zener diodes, to provide 1/2 LSB full-scale accuracy
without the need for laser trimming.
Single-chip reliability, coupled with low cost and outstanding
flexibility, make the DAC10 device an ideal building block for
A/D converters, Data Acquisition systems, CRT displays, pro-
grammable test equipment and other applications where low
power consumption, input/output versatility and long-term
stability are required.
*Protected by Patent Nos. 4,055,770, 4,056,740 and 4,092,639.