Datasheet

Evaluation Board User Guide UG-222
Rev. 0 | Page 13 of 20
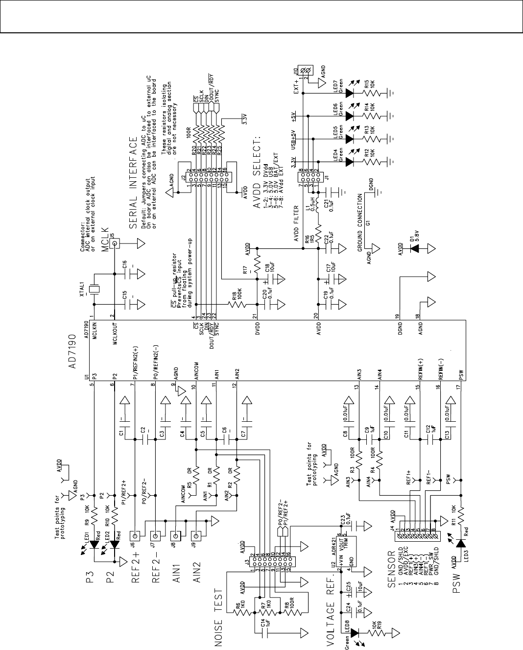
EVALUATION BOARD SCHEMATICS AND ARTWORK
09551-017
Figure 13. EVAL-AD7190EBZ/EVAL-AD7192EBZ Schematic, Analog