Datasheet
Table Of Contents
- FEATURES
- INTRODUCTION
- GENERAL DESCRIPTION
- TABLE OF CONTENTS
- REVISION HISTORY
- EVALUATION BOARD HARDWARE
- USING THE AD7190/AD7192 EVALUATION BOARD IN STANDALONE MODE
- USING THE AD7190/AD7192 EVALUATION BOARD WITH THE PC SOFTWARE
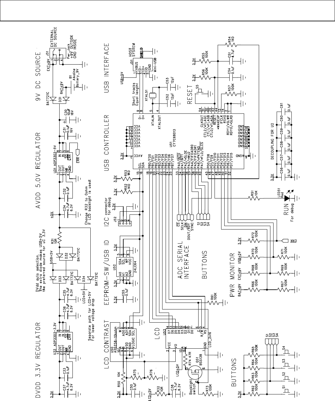
- EVALUATION BOARD SCHEMATICS AND ARTWORK
- ORDERING INFORMATION
- RELATED LINKS











