User's Manual

3. Functional Description
Page 16 User’s Manual for ION
®
-U
The unit utilizes a single fiber to support multiple bands in both the uplink and
downlink directions. WDM (Wave Division Multiplex) filters are integrated in the
optical modules. For the UL, a wavelength within 1546 nm – 1550 nm is used. For
the DL, a wavelength of 1310 ±10 nm is used. The maximum optical output power for
the UL and DL is 6.7 mW.
3. Functional Description
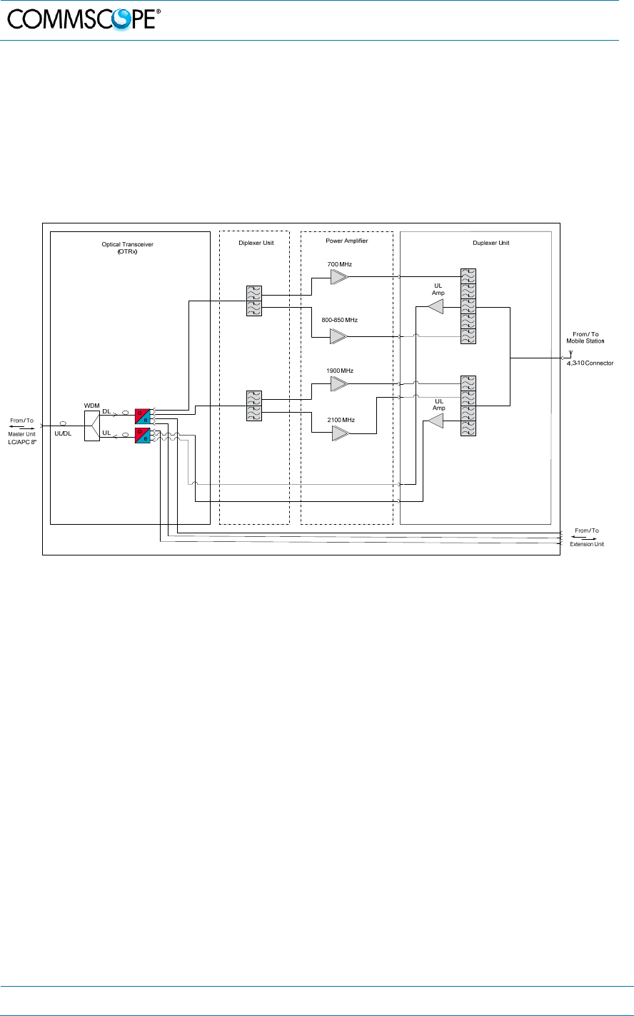
figure 3-1 ION-U High Power RU block diagram
In the Downlink (DL) path, the Remote Unit provides:
Optical to RF conversion of the input optical signal
Automatic Gain Control (AGC) of each converted signal to compensate for
optical losses
RF amplification of the converted RF signal for transmission while maintaining
an excellent signal-to-noise ratio
RF filtering to reject spurious emissions
In the Uplink (UL) path, the Remote Unit provides:
RF amplification to boost the signals received by the antennas to maintain an
excellent signal-to-noise ratio
RF filtering to reject spurious emissions
Automatic Level Control (ALC) to adjust the RF signal level to meet blocking
requirements
RF-to-optical conversion of the signal, which is conveyed to the optical port
The Remote Unit can be paired with further EUs (Extension Unit) to provide
additional bands.










