User's Manual

4. Commissioning
User’s Manual for ION
®
-U Page 21
3. Hang the Remote Unit into the upper bracket, insert it into the lower bracket, and
fasten it to the lower bracket with the M8x25 screws (C), split lock washers (D)
and washers (E), see chapter 4.2.3.
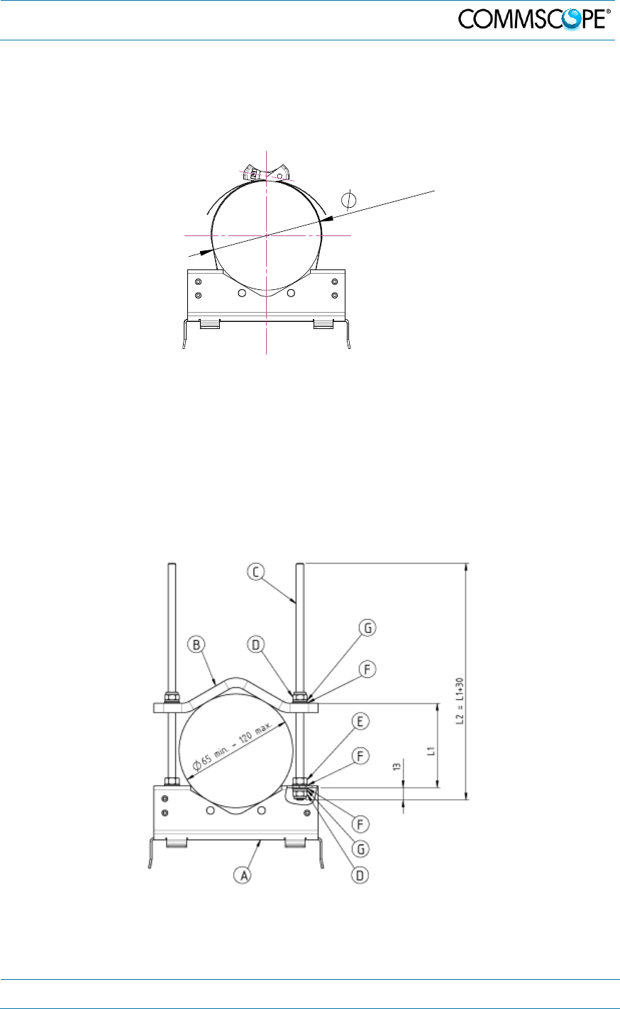
The maximum diameter of the pole or column must not exceed 120 mm (4.7 inch).
figure 4-5 Pole mounting – max. diameter
4.2.5. Pole mounting procedure with brackets
The pole-mounting kit with brackets includes
two mounting brackets (A), two counter brackets (B), four threaded bolts (C),
flat (F) and split lock (G) washers, hexagon (E) and locking (D) nuts to mount
the brackets to the pole
and two M8x25 screws (H), flat (F) and split lock (G) washers to attach the
Remote Unit to the bracket.
figure 4-6 Pole mounting – with brackets
1
2
0
m
a
x
.










