Flat Panel Television User Manual

Service Manual AOCe941Series
23
+5V
DDC_SCL5
V_Sy nc
R121
4K7 1/16W 5%
R115
100R 1/16W 5%
ESD_5V 7
VGA_B-
DSUB_5V
DDC_SCL
SOGI 5
VGA_B+
ZD 104
RLZ5.6B
1 2
R105
2K2 1/16W 5%
GIN+ 5
ESD_5V
DSUB_SCL
R114
100R 1/16W 5%
C101
0.047uF
R110 100R 1/16W 5%
R106
2K2 1/16W 5%
VA1913
U101: NC
C116: NC
R119: NC
D102: NC(LG), BAV70(the others)
R122: NC(LG), 0 ohm(the others)
R109
390 OHM 1/16W
R112
75R 1/16W 5%
R113 100R 1/16W 5%
FB103
BEAD
1 2
FB101
BEAD
1 2
VGA_DET 5
Change net to DDC_SCL,DDC_SDA
ESD_5V
H_Sync
33pF
C103
BIN+ 5
R101 0R05 1/10W
U103
AZC199-04S
1
2
3 4
5
6
I/O1
GND
I/O2 I/O3
VDD
I/O4
R111
100R 1/16W 5%
D102
NC/BAV70
3
1
2
C114
NC
VGA_G+
R117
100R 1/16W 5%
R120
4K7 1/16W 5%
FB102
BEAD
1 2
C106
1000pF
C105
0.047uF
U101: M24C02-RMN6TP
C116: 0.22uf
R119: 4.7K
D102: NC
R122: 0 ohm
VGA_R+
VGA_B+
5VCC5,6,7
VGA_G+
E
B
47Wednesday , December 02, 2009
715G3225-11.0.COVER
G3225-A-2-X-8-090311
OEM MODEL Size
Rev
Date
Sheet
of
TPV MODEL
PCB NAME
称爹
T P V ( Top Victory Electronics Co . , Ltd. )
Key Component
H_Sync
VGA_G-
C118
NC
VGA_R+
D101
BAV70
3
1
2
C116
0.22U
DSUB_SDA
VGA_R-
RIN- 5
VGA_G+
R101 0402->0603
C113
0.047uF
VGA_B+
C110
0.047uF
DDC_SDA
R102 100OHM1/16W
VGA_R+
C117
NC
VSIN 5
V_Sy nc
C109
0.047uF
C107
0.047uF
GIN- 5
HSIN 5
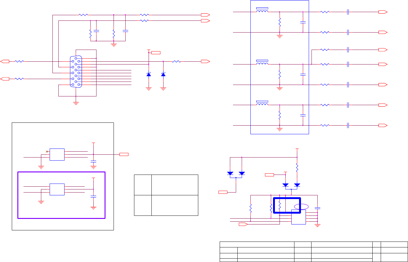
CN101
DB15
1
6
2
7
3
8
4
9
5
11
12
13
14
15
10
17 16
VGA_G-
Viewsonic
R122
0R05 1/16W
DSUB_5V 7
Inte. edid
DSUB_SCL
C115
NC
VGA_R-
22pF
C102
VGA_B-
U102
AZC199-04S
1
2
3 4
5
6
I/O1
GND
I/O2 I/O3
VDD
I/O4
R103 100OHM1/16W
C119
NC
+5V5,6,7
DSUB_5V
DSUB_5V
ESD_5V
R107
75R 1/16W 5%
R108
100R 1/16W 5%
R119
22K 1/16W 5%
RIN+ 5
VGA_PLUG
BIN- 5
DSUB_SDA
R116
75R 1/16W 5%
R118 10K 1/16W 5%
ZD103
RLZ5.6B
1 2
U101
M24C02-RMN6TP
1
2
3
45
6
7
8
A0
A1
A2
VSSSDA
SCL
WP
VCC
DDC_WP5
DDC_SDA5
R104
100R 1/16W 5%
D-SUB NC pin connect to GND
Ext . edid