Instructions
Manuals
Brands
Arexx Manuals
Leisure & Home
Arexx Gyro JM3-GYRO Suitable for (robot assembly kit): RP6
1
2
3
4
5
6
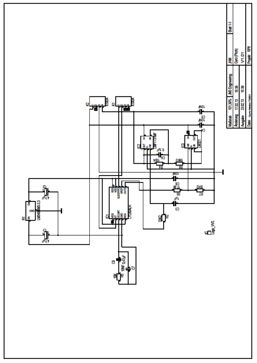
Circuit Diag
ram GYRO
MODULE
A
.)
Functional description refer to Datasheet LY330ALH.PDF see CD
1
...
2
3
4
5
6