Audiofuse USB Audio Interface User Manual
Table Of Contents
- User Manual
 - Special Thanks
 - Thank you for purchasing the Arturia AudioFuse!
 - Important Safety Instructions
 - Table Of Content
 - Overview
 - Hardware Features
 - Getting started
 - How to use the AudioFuse
 - Software License Agreement
 - FCC Information
 

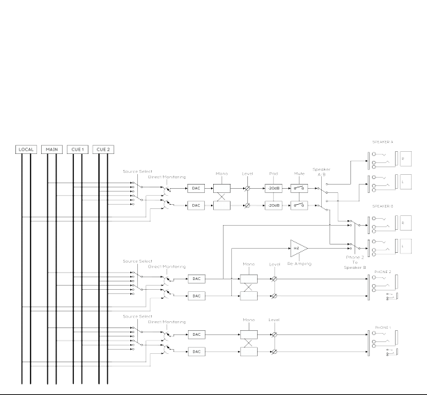
3.3.6. Phone Outputs
Phone output is similar to main output. You can select your source and mix down to mono.
Phone 2 output has a secondary function. You can send it to speaker B outputs. By activating
the Phone 2 to Speaker B function in the AudioFuse control Center, you send the phone 2
signal to speaker B output.
In this case, speaker A is automatically selected for speaker Output.
You can then use the Re-Amping Function on speaker B Left output. (Refer to Re-Amping
below)
Arturia - User Manual AudioFuse - Getting started 24










