Specifications Sheet

ISSUED:
REVISED:
MODEL No:
Accessory Specialties
AMERICAN
DISPENSER
D
esert
R
ay
P
roducts
,INC.
THIS MANUFACTURER RESERVES THE RIGHT TO MAKE CHANGES IN DESIGN OR DIMENSIONS WITHOUT FORMAL NOTICE
1-87
0473-1A
9-04
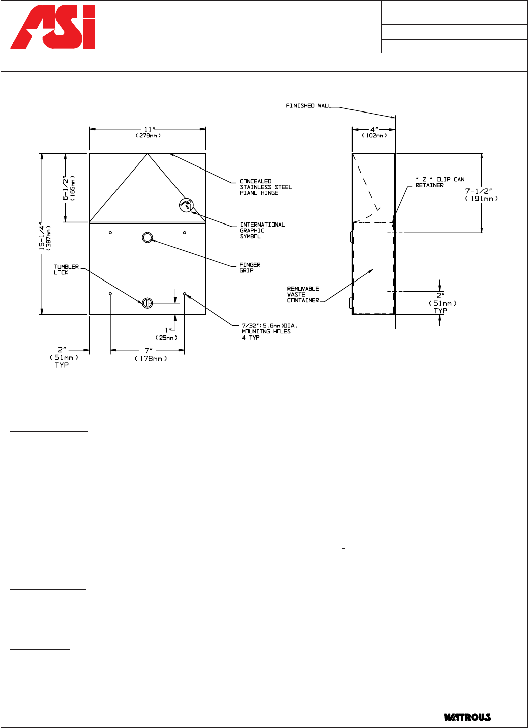
SURFACE MOUNTED END STALL SANITARY NAPKIN DISPOSAL
AMERICAN SPECIALTIES, INC.
441 Saw Mill River Road, Yonkers, NY 10701 (914) 476-9000
SPECIFICATION
Surface Mounted End Stall Sanitary Napkin Disposal with locking waste receptacle shall hold 1.5gal (5.7liters) of dry/solids waste
and shall have waste receptacle, door and cabinet fabricated of alloy 18-8 stainless steel, type 304, 22 gauge; all exposed surfaces
shall have N
o
4 satin finish and be protected during shipment by a PVC film easily removable after installation. Push door shall be
attached to cabinet with a concealed full length 3/16" dia. (5mm) stainless steel multi-staked piano hinge at top and shall have the
international waste symbol affixed to front. Structural assembly of body and door components shall be of welded construction and
cabinet shall have no exposed fastening devices or visible spot welded seams. Removable waste container shall be captured internally
by full width Z-retainer and shall be held closed with a tumbler lock keyed alike to other ASI washroom equipment. Waste container
shall have a safety-edged finger grip.
Surface Mounted End Stall Locked Sanitary Napkin Disposal shall be Model N
o
0473-1A as manufactured by American
Specialties, Inc., 441 Saw Mill River Road, Yonkers, New York 10701-4913
INSTALLATION
Unit is mounted on wall using N
o
10 self-tapping screws (by others). For maximum usability and compliance with ADA Accessibility
Guidelines, unit should be installed so that top of disposal door is between 34" (864mm) maximum above finished floor (AFF) and
24" (610mm) minimum AFF.
OPERATION
User pushes door to deposit waste material. Door is self-closing. Maintenance schedule determines waste removal cycle. Unit is
emptied by removing bottom waste container and inverting over collection bag. Waste container is captured by internal angle to
prevent inadvertent dumping and key lock to prevent unauthorized access or removal. Safety-edged finger grip provides convenient
grip for service.