Instruction manual
Table Of Contents
- 表紙英語版.pdf
- 中表紙英語版.pdf
- 納品_D0066取扱説明書_第1版(WM-3014).pdf
- INTRODUCTION
- SAFETY PRECAUTIONS
- Concerning the monitor
- ( Do not subject the monitor to strong impact or throw it around. Doing so may cause the liquid crystal to leak and/or the monitor to malfunction, rupture, generate heat and/or cau
- ( Do not use the monitor wherever there is a risk of ignition or explosions.
- ( Do not place the monitor inside a microwave oven or other heating or cooking appliance or pressure vessel. Doing so may cause heat or smoke to be generated in the monitor, combus
- ( Inside the monitor are some high-voltage parts: since exposure to these parts may result in electric shocks or burns and/or malfunctioning, refrain from disassembling, repairing
- ( If a thunderstorm should occur while the monitor is being used outdoors, immediately turn off its power, disconnect the power cable from the main unit, and move the monitor to a
- Concerning the power cord
- Concerning foreign matter
- Concerning the power supply
- ( Use a supply voltage within the range of DC 10V to 18V (5% for the monitor.
- ( In order to avoid malfunctioning and trouble, it is recommended that the accessory AC/DC adapter be used. In the event that another power supply is to be used, ensure that its su
- ( Do not turn the power back on immediately after having turned it off. Doing so can cause malfunctioning.
- ( Bear in mind that if the same DC power supply as microphones, amplifiers, speakers and other audio products should be used for the monitor, the sound may be adversely affected.
- Concerning the liquid crystal
- ( Due to the nature of liquid crystal, some picture elements may be missing (bright spots, flashing spots, etc.) at times.
- ( Do not touch any liquid crystal which has leaked from the liquid crystal panel.
- ( In the event that liquid crystal has made contact with your eyes or mouth, rinse it off with water immediately. If it has come into contact with your skin or clothing, wipe it of
- ( Exercise care with the glass of a broken liquid crystal panel.
- ( The LCD panel is a high-precision component and, as such, the following care must be taken in its handling.
- ( Handle the liquid crystal protective panel carefully.
- Concerning impact
- Concerning the installation and operation locations
- Concerning problems due to the nature of liquid crystal
- ( The liquid crystal's response time, brightness and colors may vary depending on the ambient temperature.
- ( Depending on what is displayed, unevenness in the brightness, flicker, vertical stripes and/or very small flecks may appear.
- ( The optical characteristics of liquid crystal (such as unevenness in the brightness or display) change in accordance with the operating time. These changes are particularly appar
- ( The display colors may change depending on the view angle.
- ( Noise may appear on the startup screen.
- ( Image lag may occur. Avoid displaying the same pattern for a prolonged period of time.
- Concerning the monitor
- 1
- CONCERNING THE WM-3014
- Outline of WM-3014
- ( 6.3-inch a-Si TFT LCD panel featured
- ( HD-SDI, SD-SDI or YPbPr HD analog signals supported as the input
- ( 25 different video formats supported
- ( SDI IN ((2), SDI MONITOR OUT, HD analog input (ANALOG Y, ANALOG Pb, ANALOG Pr) and composite input (NTSC, PAL) connectors provided
- ( Image adjustment functions
- ( Marker displays
- ( Single-action operation for selecting input channels, partial display/non-display of information, picture overlay and freeze/update using the switches on the front panel
- ( Many different display modes available
- ( Compare mode provided
- ( Lighting of red, green LEDs at top of screen using external control (contact supply type)
- ( Loading of preset data enabled by external control (contact supply type)
- ( Preset switches provided on front panel (for loading and saving the preset data)
- ( Automatic tracking of input signals supported
- ( Automatic 1/1.000 and 1/1.001 frame rate tracking and input signal detection functions
- ( Reference input (HD analog tri-level sync, BB_525, BB_625)
- ( CRC error detection function (during HD-SDI input) for input channels
- ( Time code (VITC) display (during HD-SDI input)
- ( Functions for locking the panel switches and storing the settings
- ( Light weight and slim-line dimensions
- ( DC 12V supported (10-18V)
- ( Camera battery supported
- ( 6.3-inch a-Si TFT LCD panel featured
- Outline of WM-3014
- 2
- PARTS AND THEIR FUNCTIONS
- 3
- OPERATION
- 4
- MAIN SPECIFICATIONS
- 5
- STANDARD AND OPTIONAL ACCESSORIES
- 6
- MAINTENANCEAND OTHER PROCEDURES

8
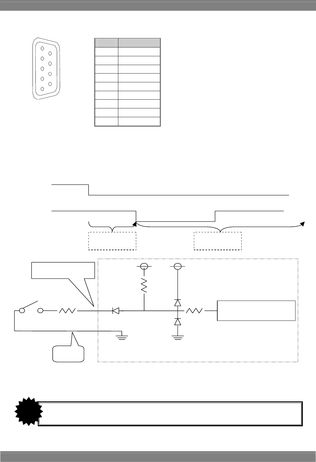
*2: TALLY connector (no.9 in rear panel view)
Pin No. Function
1 GND
2 TALLY 2(G)
3 PRESET 1
4 PRESET 2
5 GND
6 PRESET 3
7 TALLY 1(R)
8 PRESET 4
9 PRESET 5
When GND and pin 2 are shorted, the green tally lamp lights; when GND and pin 7 are shorted, the red tally lamp lights.
Details on the PRESET pins are provided below. Any of these pins become operational when they are shorted with
GND.
Their functions are established by setting the pins from high to low (MAKE) (edge operation). (The switch pressed last
has priority.)
* Design the circuitry in such a way that the cable resistance is 50Ω or less.
1
5
6
9
PRESET 1
data is read out
PRESET 2
data is read out
PRESET 1
PRESET 2
Do not plug a cable into or unplug one from the TALLY connector while the power is supplied to the
monitor.
CAUTION
Remote connector reception area
DM monito
r
Control IC
Low level threshold: 0.7V
1kΩCable resistor
Vf = 0.65V
Remote controller switch
1, 5 pin
3.3V
10kΩ
3.3V
2, 3, 4, 6, 7, 8, 9 pin










