Operation Manual
Table Of Contents
- Inhoud
- Inleiding
- Toestelbeschrijving
- Schematische voorstelling HR ZonneGasCombiII
- Het toestel
- Het toesteldisplay
- Programmatoetsen met indicatielampjes
- Het toesteldisplay
- De uitlezing
- Het kiezen voor een technische- of een uitlezing
- De technische uitlezing
- De Reset-toets
- Het collectorcircuit
- Instellen aanvoerwatertemperatuur
- Instellen type installatie
- Onderhoud
- Controle van het waterniveau in het collectorcircuit
- Collectorcircuit (bij)vullen
- Controle van de collectorpomp
- Bijvullen of geheel vullen van de installatie
- Het buiten bedrijf stellen van het toestel

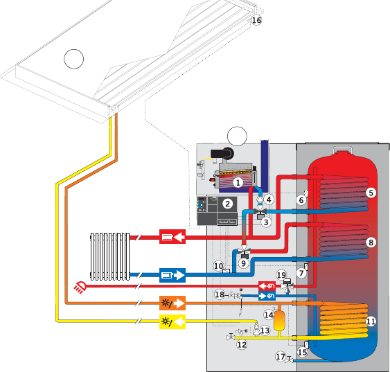
A Zonnecollector
B HR ZonneGasCombi
II
1. INOX warmtewisselaar
2. Control Management System (CMS)
met Zonmodule
3. Driewegklep (CV/WW)
4. Toestelpomp
5. Warmwaterwisselaar
6. Warmwatersensor
7. CV-Zonsensor
8. CV-wisselaar
9. Modulerende driewegklep (CV-Zon)
10. CV-Zonretoursensor
11. Zonwisselaar
12. Vul-/aftapkraan en overstort collectorcircuit
13. Collectorpomp en doorstroombegrenzer
14. Terugloopvat met niveaukraan
15. Boilervoeler Zon (Delta-T)
16. Collectorvoeler Zon (Delta-T)
17. Boileraftapkraan
18. Inlaatcombinatie
19. Thermostatisch mengventiel
Schematische voorstelling HR ZonneGasCombi
II
A
B