Inc. Programmable Wall Switch Installation and User Guide

TI035 400-035-001-C 13/3/07 1/2
TI035
Installation and User Guide
Programmable Wall Switch
The TI035 programmable wall switch has been designed to control lightings
and motors:
NOTE: This switch cannot be used if there are not at least 2 white wires joined
by a connector inside the electrical box.
n Cut power at the circuit breaker to avoid electric shock.
o Remove the existing switch.
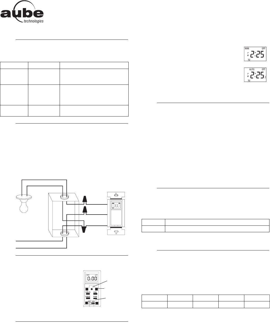
p Install the new switch as shown in the diagram below.
q Apply power at the circuit breaker.
n Pry the switch door open from the bottom
using a small screwdriver.
o Ensure the ON/OFF selector is set to ON.
p Reset the switch using a paper clip. 0:00
will flash.
If the display is blank:
• Ensure the ON/OFF selector is properly
engaged in the ON position. Push it to the
right using a small screwdriver.
The programmable switch has 2 operating modes: manual (MAN) and
automatic (AUTO).
To switch mode, press the switch door for 3 seconds.
Manual Mode
The programmable switch operates as a regular switch.
Briefly press the switch door to turn the lights On or Off.
The mode (MAN) and state (ON or OFF) are displayed.
Automatic Mode
The programmable switch follows the programmed
schedule. The mode (AUTO), state (ON or OFF) and
current program number are displayed.
To temporarily override the programmed schedule, briefly
press the switch door. The new state (ON or OFF) will flash
to show that the state is temporary. The override remains in effect until you
press the switch door again or until the beginning of the next program.
NOTE: The switch displays the time in 24-hour format by default or following a
reset.
n To switch between 12-hour format and 24-hour format, proceed as
follows:
a) Press one of the control buttons to ensure the MAN or AUTO indica-
tor is displayed.
b) Press the MIN and HOUR buttons simultaneously and brieftly (0:00
display = 24-hour; 12:00 display = 12-hour ).
o Set the time using the HOUR and MIN buttons. For the 12-hour time
format, if you are setting an afternoon time, ensure PM appears on the
screen.
p Press one of the control buttons or close the switch door to return to
normal operation.
This procedure sets the switch for daylight savings time or for standard time.
n Press the CODE button four times.
o Press the MIN button to switch between nor and Ad.
p Press one of the control buttons or close the switch door to return to nor-
mal operation.
NOTE: By default, once you have programmed the sunset/sunrise
parameters, the timer will follow the sunrise/sunset program when placed in
Automatic mode. To set your own schedule, see section 8.
7.1 Determining the sunset/sunrise parameters
Fill out the following table:
1) LATITUDE & LONGITUDE: Enter the coordinates of your city or the
nearest city using the supplied table. If none of the cities in the table is appli-
cable, this information is usually available on the internet.
NOTE: Add a minus sign when entering a south latitude coordinate or a west
longitude coordinate.
n
Applications
1.
Load type Maximum load Examples
Resistive load
2400 W
(20 A @ 120 V)
• incandescent lights
• halogen lights
• block heater
Inductive load
2400 W
(20 A @ 120 V)
• fluorescent lights
• compact fluorescent lights (CFL)
• sodium lamps
• electronic ballasts
Motor 1 hp
• pool filter pumps
•fans
o
Installation
2.
p
Power-on
3.
q
Operating Modes
4.
120 VAC
white (neutral)
black (line)
white
black
white
black
blue
Control (4)
Reset
On/Off
selector
r
Setting the Clock
5.
s
Daylight Savings Time
6.
nor Standard time / Normal time / Winter time
Ad Daylight savings time / Advanced time / Summer time
t
Sunset/Sunrise Program
7.
Latitude Longitude Day # nor/Ad Lc